manual
Manuals
Brands
LYNX Manuals
Grill Types
Lynx® Sedona 42" Stainless Steel Built In Grill-L700-LP
31
32
33
34
35
36
37
38
39
40
34
|
SEDONA CARE & USE/INST
ALLA
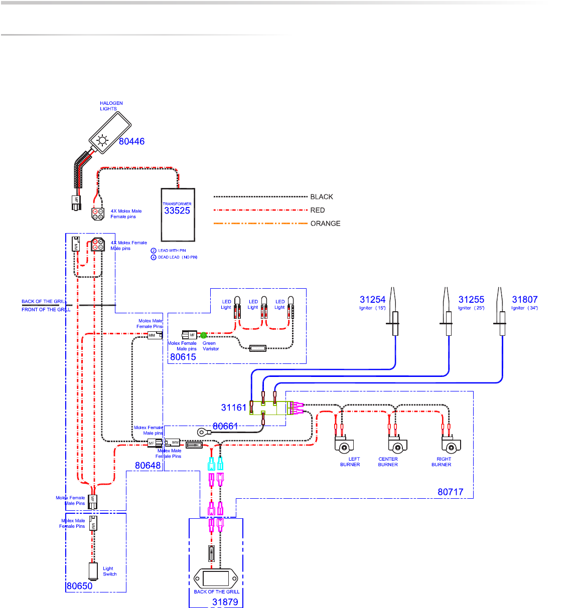
TION
WIRING SCHEMA
TICS
L600/L700 NON-ROTISSERIE GRILL
1
...
...
32
33
34
35
36
...
...
40