Use & Care Manual
Manuals
Brands
Lynx Manuals
Natural Gas Grills
Lynx Sedona 36" Stainless Steel Natural Gas Built In Grill With Rotisserie
31
32
33
34
35
36
37
38
39
40
34
|
SEDONA CARE & USE/INST
ALLA
TION
WIRING SCHEMA
TICS
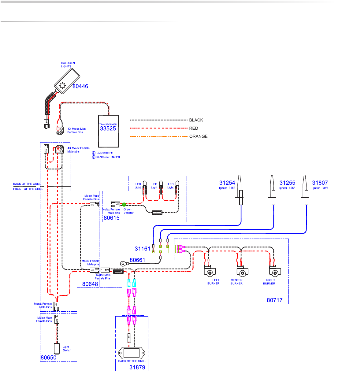
L600/L700 NON-ROTISSERIE GRILL
1
...
...
32
33
34
35
36
...
...
40