manual
Manuals
Brands
LYNX Manuals
Grill Types
Lynx® Sedona 36" Stainless Steel Built In Grill-L600R-NG
31
32
33
34
35
36
37
38
39
40
SEDONA CARE & USE/INST
ALLA
TION
|
33
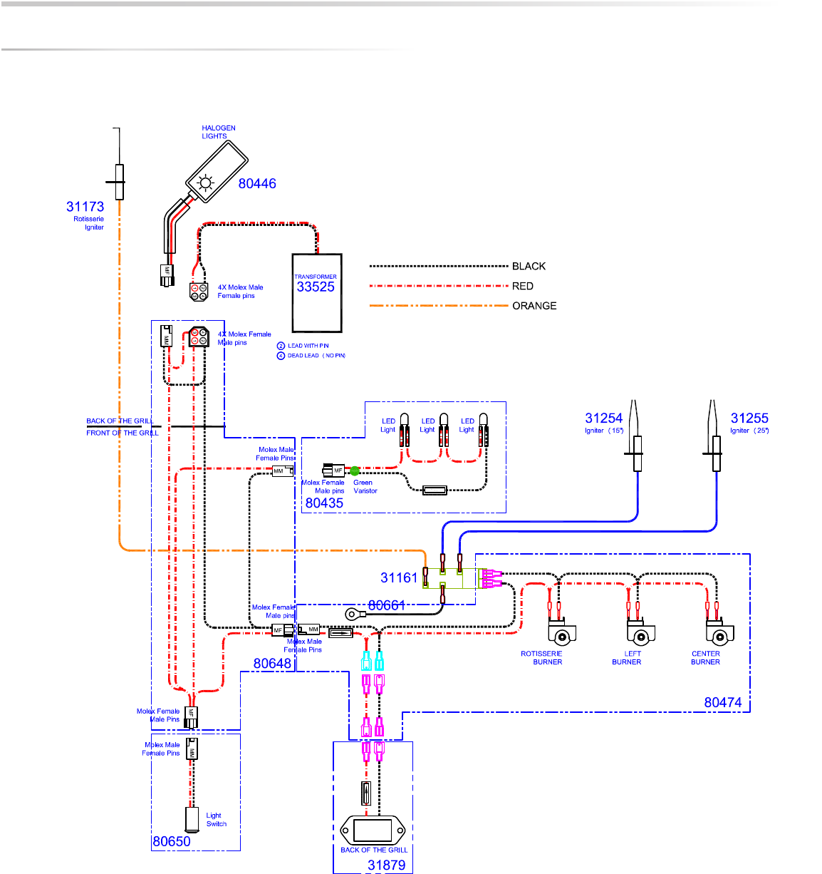
WIRING SCHEMA
TICS
L500 ROTISSERIE GRILL
1
...
...
31
32
33
34
35
...
...
40