manual
Manuals
Brands
LYNX Manuals
Grill Types
Lynx® Sedona 36" Stainless Steel Built In Grill-L600R-LP
31
32
33
34
35
36
37
38
39
40
34
|
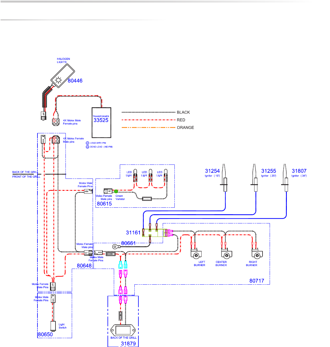
SEDONA CARE & USE/INST
ALLA
TION
WIRING SCHEMA
TICS
L600/L700 NON-ROTISSERIE GRILL
1
...
...
32
33
34
35
36
...
...
40