Sedona Grills Use and Care
Manuals
Brands
Lynx Manuals
Natural Gas Grills
Lynx Sedona 36" Stainless Steel Natural Gas Freestanding Grill With ProSear & Rotisserie
31
32
33
34
35
36
37
38
39
40
34
|
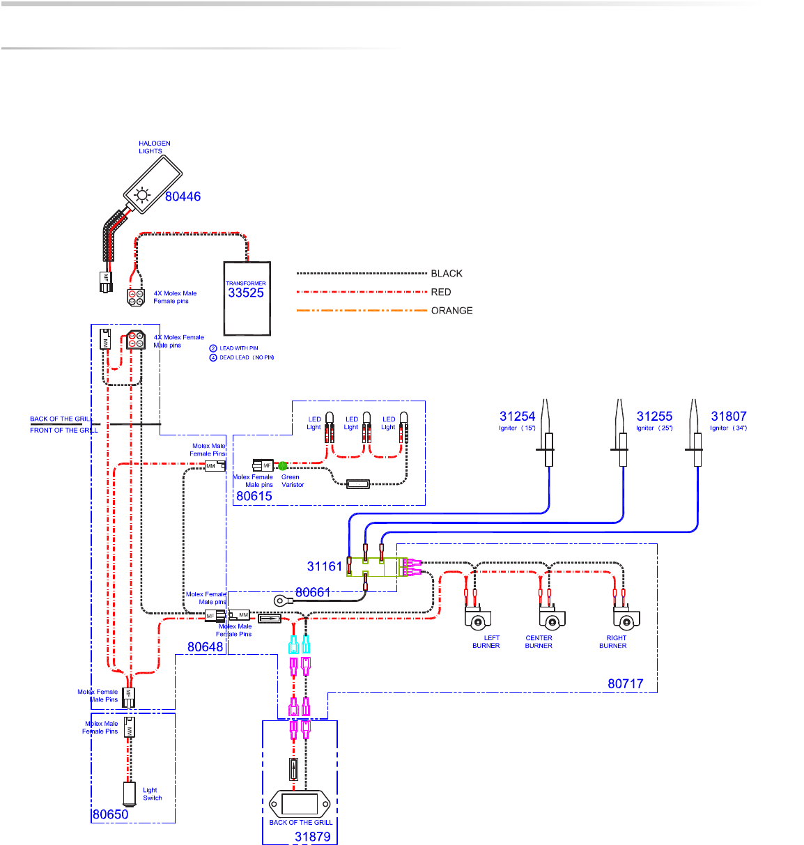
SEDONA CARE & USE/INST
ALLA
TION
WIRING SCHEMA
TICS
L600/L700 NON-ROTISSERIE GRILL
1
...
...
32
33
34
35
36
...
...
40