Sedona Grills Use and Care
Manuals
Brands
Lynx Manuals
Natural Gas Grills
Lynx Sedona 36" Stainless Steel Freestanding Natural Gas Grill With Rotisserie
31
32
33
34
35
36
37
38
39
40
32
|
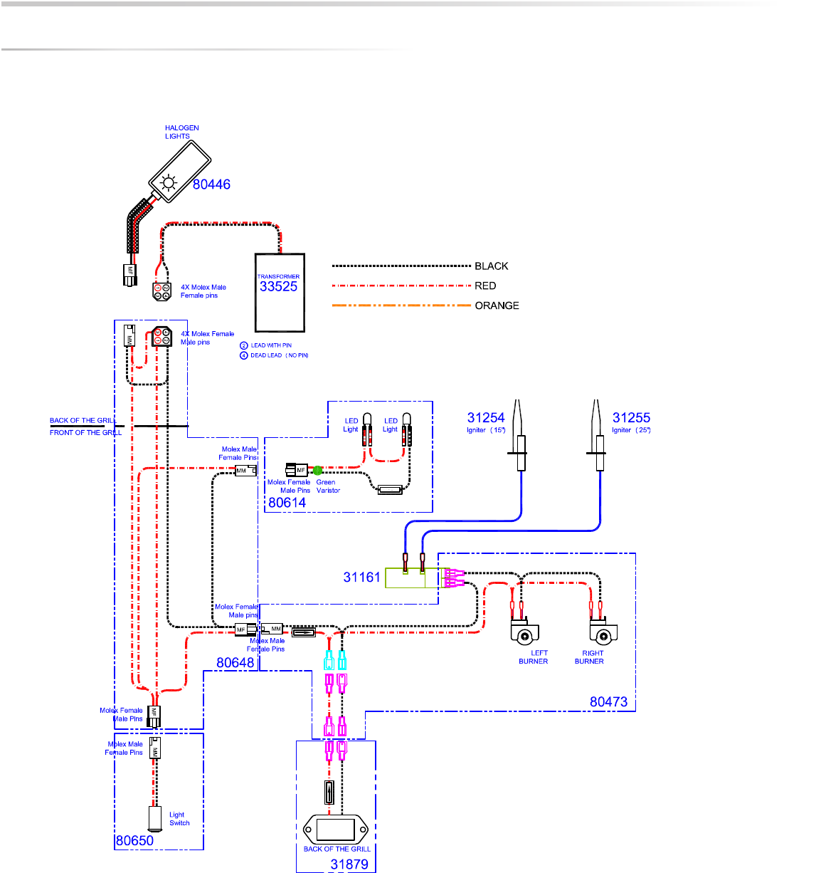
SEDONA CARE & USE/INST
ALLA
TION
WIRING SCHEMA
TICS
L400/L500 NON-ROTISSERIE GRILL
1
...
...
30
31
32
33
34
...
...
40