Use and Care Manual
Manuals
Brands
Lynx Manuals
Liquid Propane Gas Grills
Lynx Professional 54" Liquid Propane Freestanding Grill
39
40
41
42
43
44
45
46
47
48
42
|
CARE & USE/INST
ALLA
TION
L42A
TR & L42A
TRF
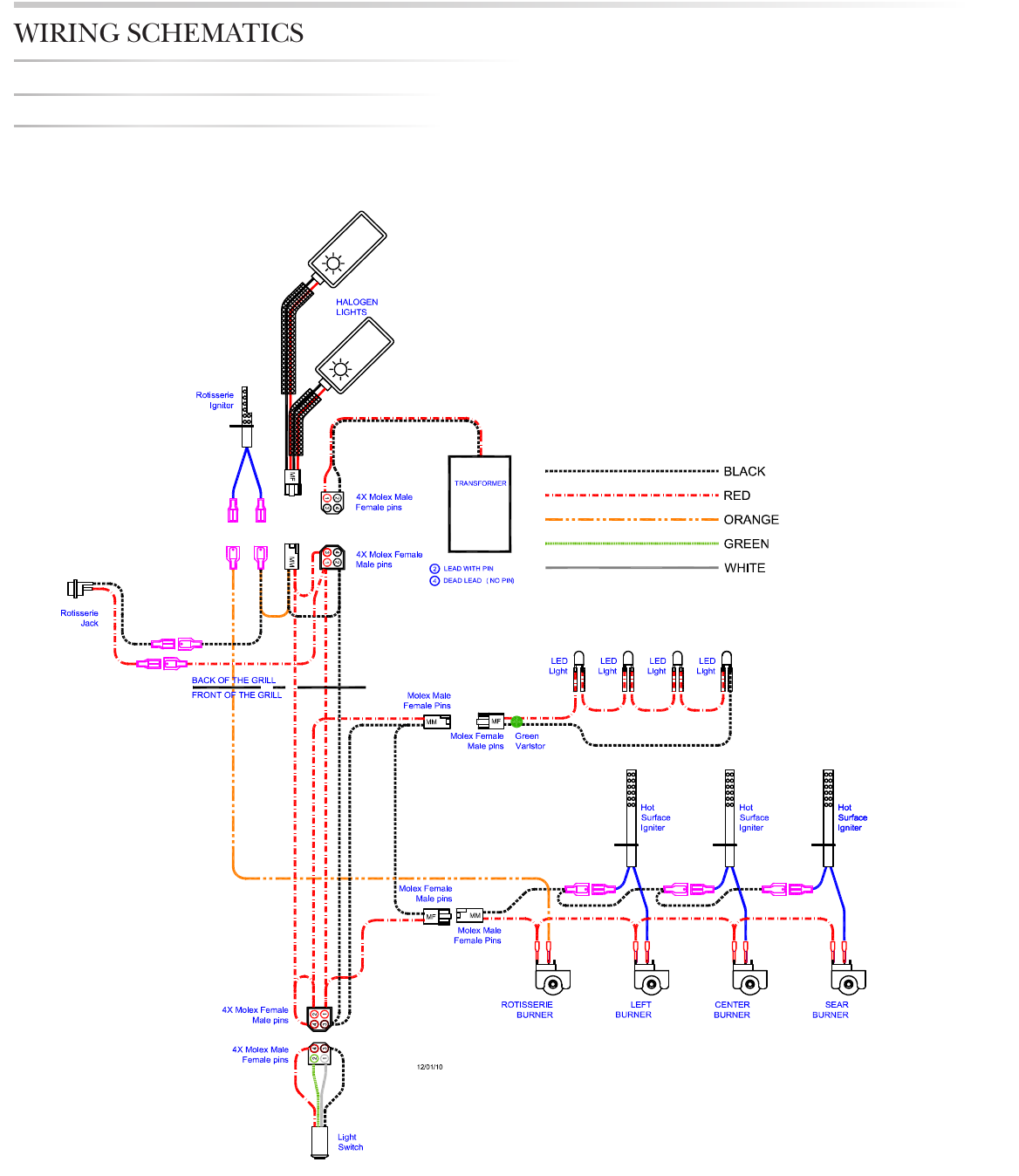
WIRING SCHEMA
TICS
1
...
...
40
41
42
43
44
...
...
48