manual
Manuals
Brands
LYNX Manuals
Grill Types
Lynx® Sedona 30" Stainless Steel Freestanding Grill-L500F-NG
31
32
33
34
35
36
37
38
39
40
SEDONA CARE & USE/INST
ALLA
TION
|
35
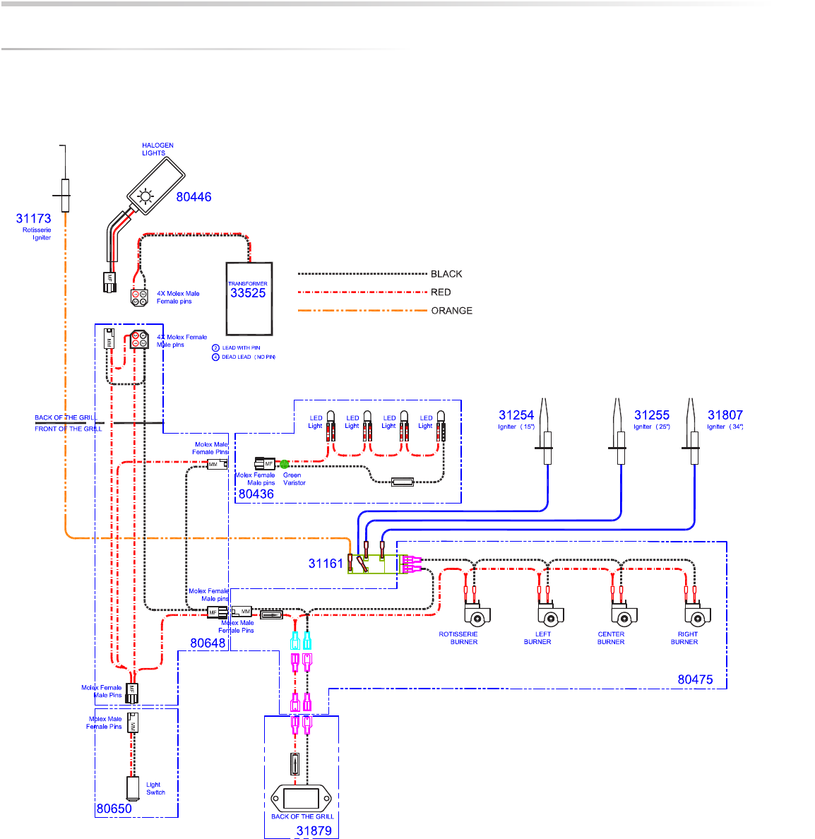
WIRING SCHEMA
TICS
L600/L700 ROTISSERIE GRILL
1
...
...
33
34
35
36
37
...
...
40