manual
Manuals
Brands
Lynx Manuals
Gas Grills
30" 2-Burner Built-In Gas Grill
31
32
33
34
35
36
37
38
39
40
32
|
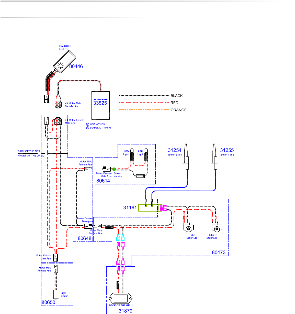
SEDONA CARE & USE/INST
ALLA
TION
WIRING SCHEMA
TICS
L500 NON-ROTISSERIE GRILL
1
...
...
30
31
32
33
34
...
...
40