Use and Care Manual
Manuals
Brands
Lynx Manuals
Appliances
Lynx Professional 42" Stainless Steel Natural Gas All Trident Grill with Rotisserie
39
40
41
42
43
44
45
46
47
48
42
|
CARE & USE/INST
ALLA
TION
L42A
TR & L42A
TRF
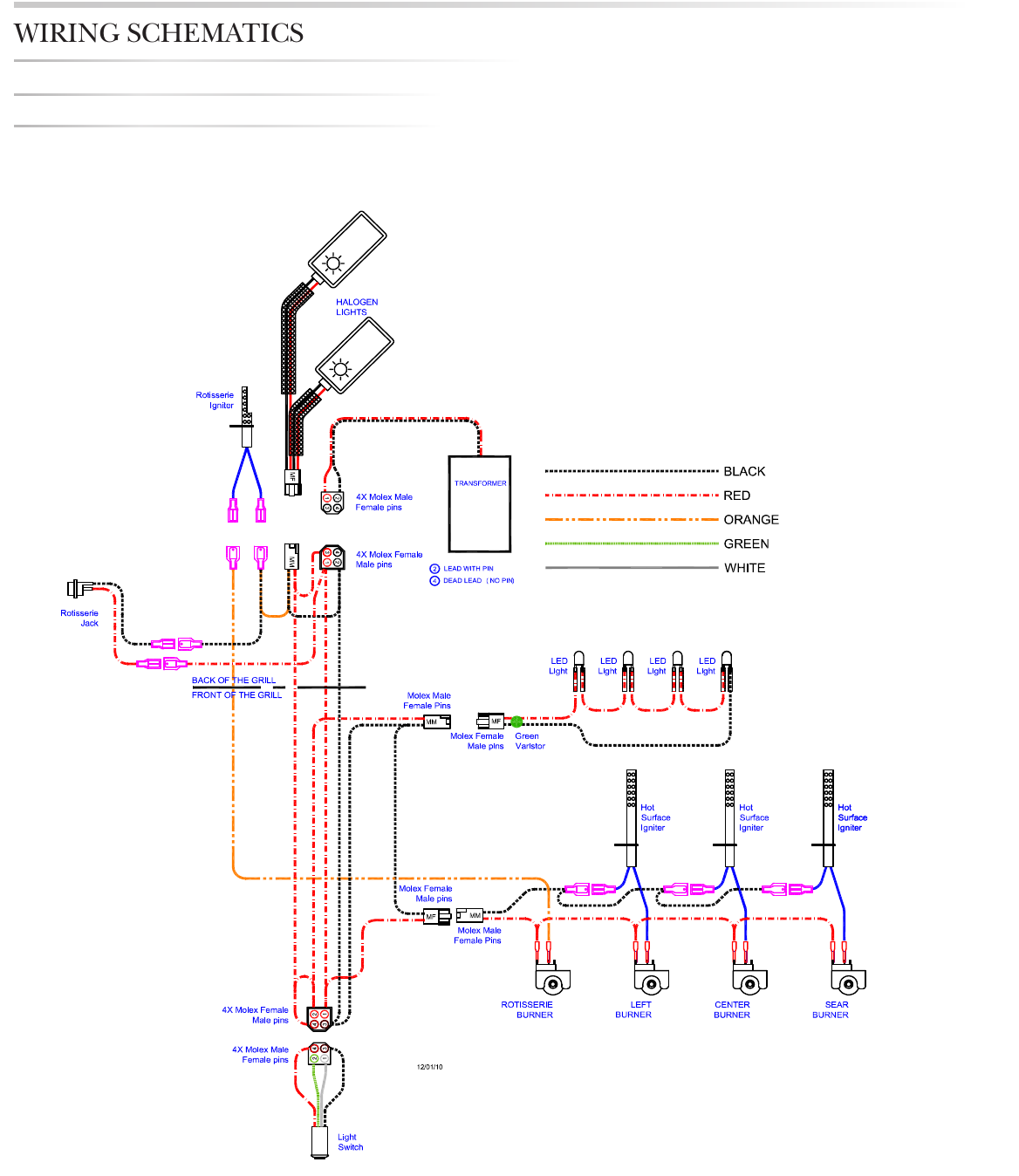
WIRING SCHEMA
TICS
1
...
...
40
41
42
43
44
...
...
48