Use and Care Manual
Manuals
Brands
Lynx Manuals
Barbecue
30 Inch Freestanding Grill with 840 sq. in. Cooking Surface, 2 Tridentâ„¢ Burners, Dual Position Rotisserie, Halogen Lighting and Illuminated Controls: Liquid Propane
39
40
41
42
43
44
45
46
47
48
42
|
CARE & USE/INST
ALLA
TION
L42A
TR & L42A
TRF
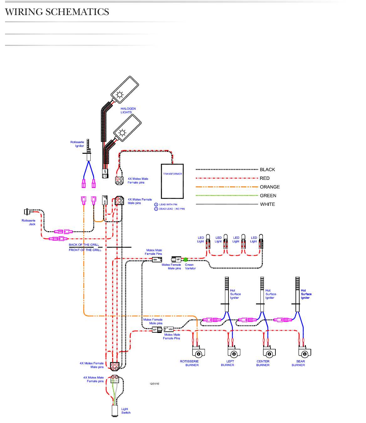
WIRING SCHEMA
TICS
1
...
...
40
41
42
43
44
...
...
48