Owner manual

63
BOX DEPICTS
OPTIONAL ITEMS
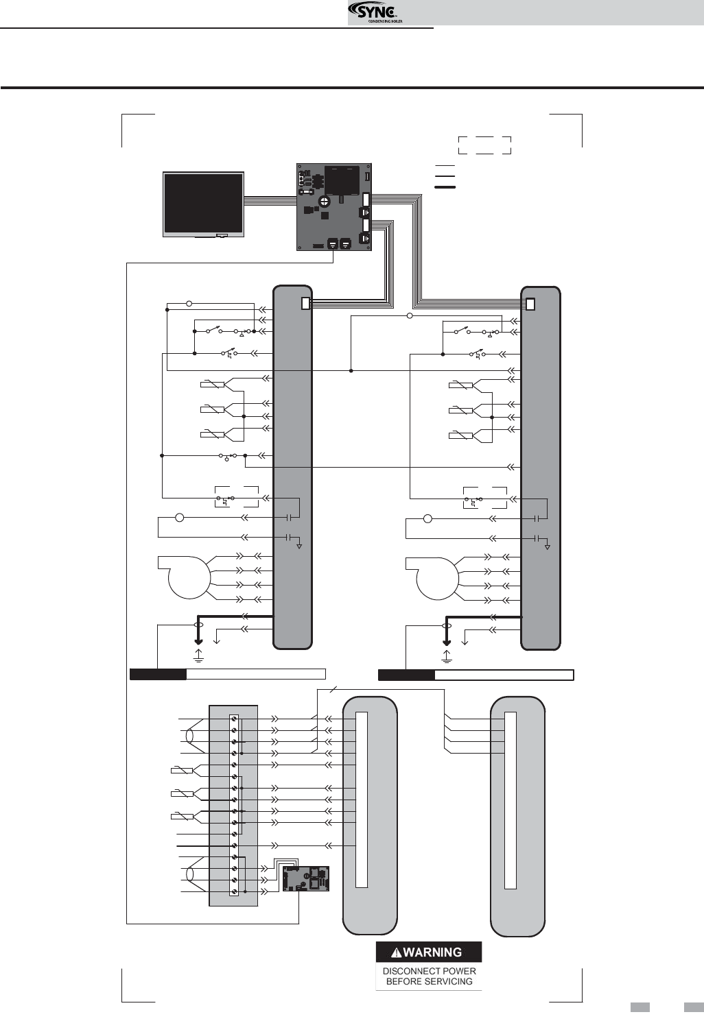
LADDER DIAGRAM
LBL20058 REV E
CONTROL
MODULE 2
X5-3
X2-1
GAS VALVE
GAS VALVE
RELAY
X5-5
X5-13
X5-6
X5-12
1
2
4
5
TR1
X1-7
FLAME ROD
SPARK
ROD
120 VAC
LOW VOLTAGE
HIGH VOLTAGE
CAUTION HIGH VOLTAGE SPARK LEAD
BLOWER
X2-2
NOTES:
1. Where possible, switches are shown without utilities (gas, water or
electricity) connected to the unit. As such, actual switch states may
vary from those shown on diagrams depending upon whether utilities
are connected or a fault condition is present.
2. See wiring diagram for additional notes.
AIR PRESSURE
SWITCH
CONTROL
MODULE 1
X5-3
X2-1
GAS VALVE
GAS VALVE
RELAY
X5-5
X5-13
X5-6
X5-12
1
2
4
5
TR1
X1-7
FLAME ROD
SPARK
ROD
CAUTION HIGH VOLTAGE SPARK LEAD
BLOWER
X2-2
FLAP
VALV E
AIR PRESSURE
SWITCH
FLAP
VALV E
X5-7
24V
X5-7
24V
X5-4
X5-4
INLET
SENSOR
INLET
SENSOR
OUTLET
SENSOR
FLUE
SENSOR
OUTLET
SENSOR
FLUE
SENSOR
HI-LIMIT
HI-LIMIT
X5-2
X5-1
X5-8
X5-14
AUTO RESET
HIGH LIMIT
AUTO RESET
HIGH LIMIT
X5-9
BLOCKED
DRAIN
X5-8
X5-1
X5-9
X5-2
CN3
RS485
SHIELD
SHIELD
CASCADE
TANK
SENSOR
OUTDOOR
SENSOR
SYSTEM
SENSOR
EXTERNAL
CONTROL
RS485
SHIELD
SHIELD
MOD BUS
CN3-16
CN3-15
CN3-14
CN3-13
CN3-12
CN3-11
CN3-10
CN3-9
CN3-8
CN3-7
CN3-6
CN3-5
CN3-4
CN3-3
CN3-2
CN3-1
CONNECTION BOARD
+
-
10VDC
MOD BUS
KIT
CONTROL
MODULE 1
CONTROL
MODULE 2
X4
X4
CN4-3
CN4-1
CN4-2
CN4-4
CN4-6
CN4-5
CN4-8
CN4-7
CN4-9
CN4-10
4
X5-10
X5-10
LOUVER
RELAY 1
LOUVER
RELAY 2
X8
X8
X5-7
X6-8
X6-8
X5-14
X4-3
X4-1
X4-2
X4-4
X4-3
X4-1
X4-2
X4-4
X4-6
X4-5
X4-8
X4-7
X4-9
X4-10
Installation & Operation Manual
12 Diagrams
Figure 12-1 Ladder Diagram_Part 1