Manual
Manuals
Brands
Liquid Controls Manuals
Equipment
SP712-2 REV. C
1
2
3
4
5
6
7
8
Sponsler
, Inc.
SP712-
2 Transmitter
pg
4
DOC#: MN
-712-C
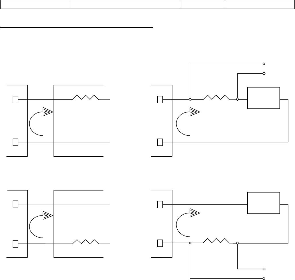
TYPICA
L LOOP CONFIGURA
TIONS
J1
-3
SP712
-2
J1
-5
+
+
-
-
RSENSE
J1
-3
SP712
-2
J1
-5
+
+
-
-
RSENSE
J1
-3
SP712
-2
J1
-5
+
-
RLOAD
12
-
28 VDC
POW
ER
SUPPLY
-
+
+
-
J1
-3
SP712
-2
J1
-5
+
-
RLOAD
12
-
28 VDC
POW
ER
SUPPLY
-
+
+
-
1
...
2
3
4
5
6
7
...
8