Datasheet

LTC4370
7
4370f
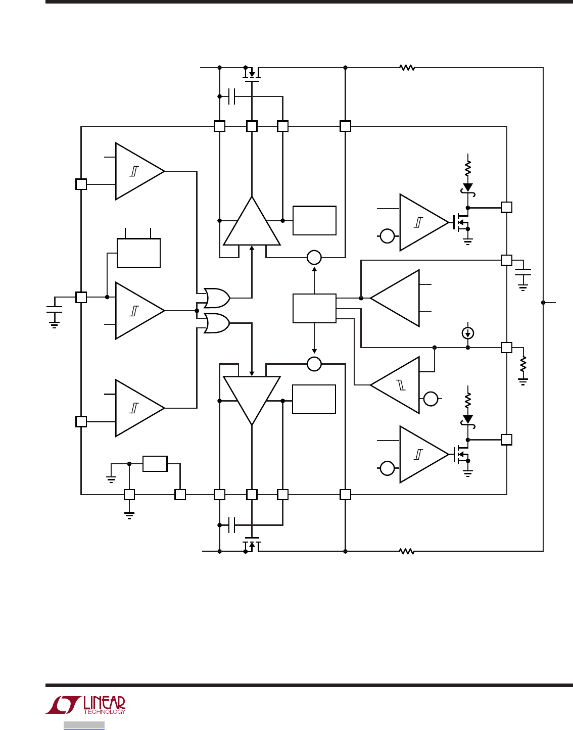
FuncTional DiagraM
4370 BD
CHARGE
PUMP1
f = 3MHz
LDO
CHARGE
PUMP2
f = 3MHz
*DE PACKAGE ONLY
GATE1
OFF
GATE2
OFF
–
+
SA1
–
+
–
+
–
+
–
+
11
CPO1
12
GATE1
13
V
IN1
V
CC
V
CC
V
CC
LOW
V
IN1
g
m
= 150µS
V
IN2
V
IN1
V
FR1
V
FR2
V
CC
V
SUPPLY1
10
9
OUT1
FETON1
500k
CP4
CP2
CP1
CP3
CP5
0.7V
0.6V
0.6V
2.55V
0.3V
COMP
GATE1
OUT1
OUT2
RANGE
CPO2GATE2
17
EXPOSED
PAD*
GND V
IN2
OUT2
M1
V
SUPPLY2
M2
–
+
C1
C2
DISABLE
LOAD SHARE
DISABLE1
DISABLE2
–
+
–
+
–
+
V
CC
V
IN2
8
FETON2
1
EN2
14
V
CC
16
EN1
500k
CP6
0.7V
GATE2
C
C
10µA
TO
LOAD
R3
C
VCC
Z
R1
R2
SERVO
ADJUST
3
2
6515 4 7
SA2
EA
+
–
+
–
+
–
+
–
+
–
Downloaded from Arrow.com.Downloaded from Arrow.com.Downloaded from Arrow.com.Downloaded from Arrow.com.Downloaded from Arrow.com.Downloaded from Arrow.com.Downloaded from Arrow.com.










