Datasheet
Table Of Contents
- Features
- Applications
- Description
- Typical Application
- Absolute Maximum Ratings
- Pin Configuration
- Order Information
- Electrical Characteristics
- Typical Performance Characteristics
- Pin Functions
- Functional Diagram
- Operation
- Applications Information
- Typical Applications
- Package Description
- Revision History
- Typical Application
- Related Parts

LTC3608
23
3608fc
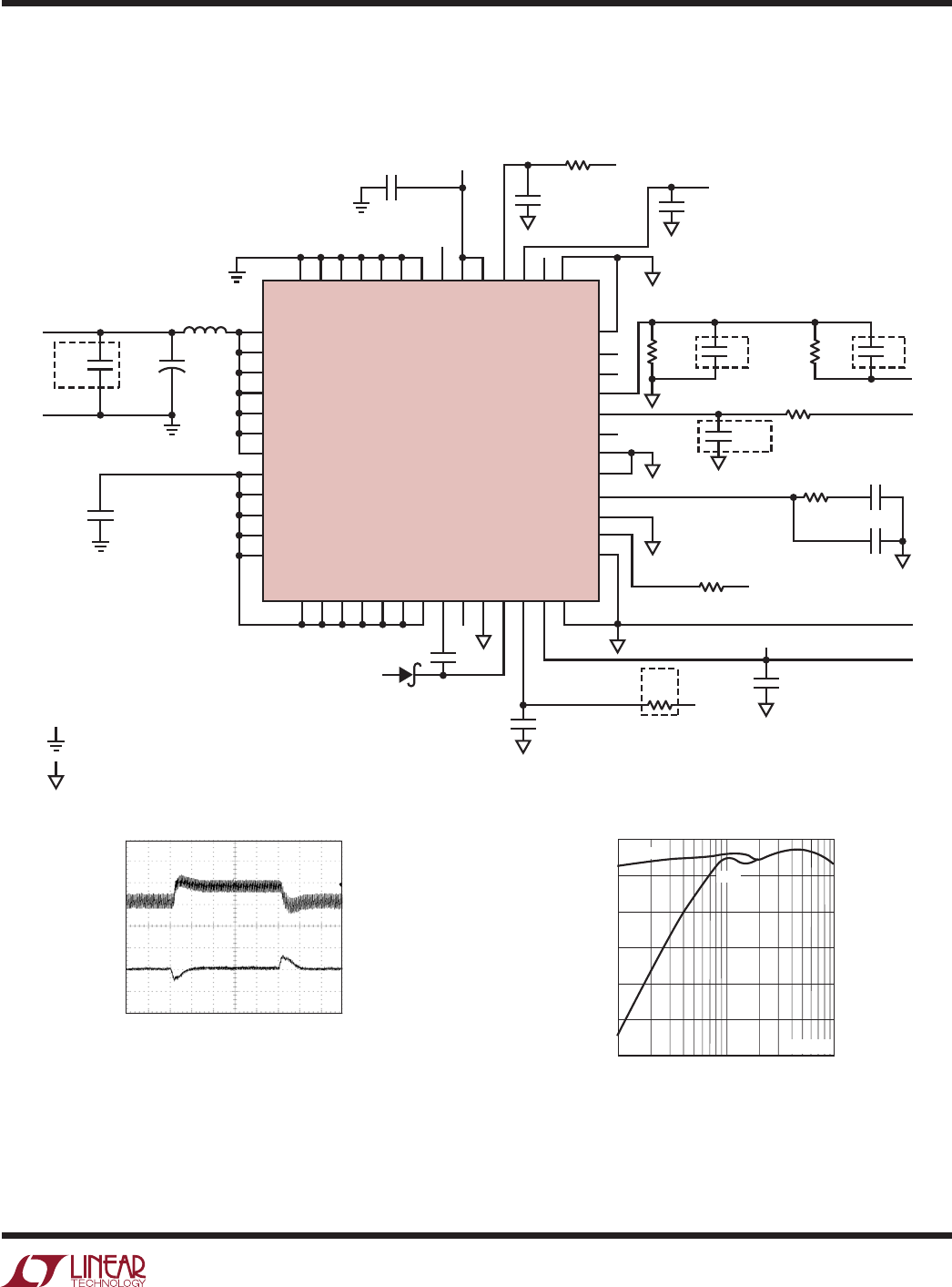
typical applications
5V to 18V Input to 1.8V/8A All Ceramic 1MHz
Transient Response Efficiency vs Load Current
EXTV
CC
C4
0.01µF
C
OUT
: TDKC3225XROJ107M
L1: VISHAY IHLP2525-R47
C5: TAIYO YUDEN JMK316BJ226ML-T
KEEP POWER GROUND AND SIGNAL GROUND SEPARATE.
CONNECT AT ONE POINT.
3608 TA04
V
OUT
1.8V AT
8A
GND
C
OUT1
100µF
×2
C5
22µF
6.3V
L1
0.47µH
V
IN
V
IN
5V TO 18V
C
IN
10µF
25V
3×
+
(OPTIONAL)
INTV
CC
C
B1
0.22µF
V
IN
C
SS
0.1µF
R
SS1
510k
PGND
SGND
(OPTIONAL)
SW
INTV
CC
C
VCC
4.7µF
6.3V
V
IN
C
F
0.1µF
25V
R5
5.76k
C
C1
1500pF
C
ON
0.01µF
V
IN
(OPTIONAL)
R
ON
102k
1%
V
OUT
C2C1
(OPTIONAL)
R1
15k
1%
R2
30.1k
1%
(OPTIONAL)
INTV
CC
R
PG1
100k
C
C2
100pF
LTC3608
SGND
26
NC
25
NC
24
V
FB
23
I
ON
22
NC
21
SGND
20
FCB
19
I
TH
18
V
RNG
17
PGOOD
16
SGND
15
PV
IN
1
PV
IN
2
PV
IN
3
PV
IN
4
PV
IN
5
PV
IN
6
PV
IN
7
SW
8
NC
9
SGND
10
BOOST
11
RUN/SS
12
V
ON
13
SGND
14
PGND
40
PGND
39
PGND
38
PGND
37
PGND
36
PGND
35
PGND
34
SW
33
INTV
CC
32
INTV
CC
31
SV
IN
30
EXTV
CC
29
NC
28
SGND
27
SW
41
SW
42
SW
43
SW
44
SW
45
SW
46
SW
47
PV
IN
48
PV
IN
49
PV
IN
50
PV
IN
51
PV
IN
52
SGND
V
OUT
0.1µF
V
OUT
R
F1
1Ω
D
B
CMDSH-3
= SGND
= PGND
LOAD STEP 1A-5A
V
IN
= 12V
V
OUT
= 1.8V
FCB = 0V
3608 TA04a
20µs/DIV
V
OUT
200mV/DIV
I
L
5A/DIV
LOAD CURRENT (mA)
100
30
EFFICIENCY (%)
40
50
60
70
80
90
1000
3608 TA04b
10000
CCM
DCM
V
IN
= 12V










