Datasheet
Table Of Contents
- Features
- Applications
- Description
- Typical Application
- Absolute Maximum Ratings
- Pin Configuration
- Order Information
- Electrical Characteristics
- Typical Performance Characteristics
- Pin Functions
- Functional Diagram
- Operation
- Applications Information
- Typical Applications
- Package Description
- Revision History
- Typical Application
- Related Parts

LTC3608
21
3608fc
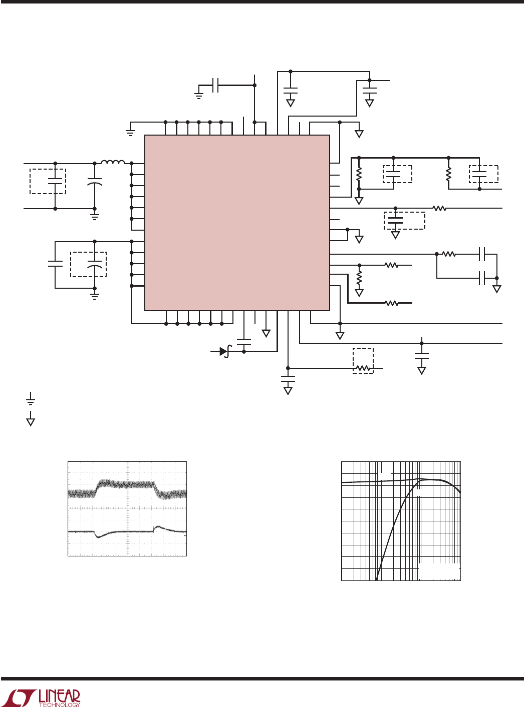
typical applications
3.6V Input to 1.5V/8A at 750kHz
Transient Response Efficiency Curve
EXTV
CC
C4
0.01µF
C
IN
: TAIYO YUDEN TMK432BJ106MM
C
OUT1
: TDKC4532X5ROJ107M
L1: CDEP85NP-R20MC-50
C5: TAIYO YUDEN JMK316BJ226ML-T
KEEP POWER GROUND AND SIGNAL GROUND SEPARATE.
CONNECT AT ONE POINT.
3608 TA02
V
OUT
1.5V AT
8A
GND
C
OUT1
100µF
×2
C5
22µF
6.3V
L1
0.2µH
GND
V
IN
V
IN
3.6V
C
IN
10µF
3×
C6
10µF
10V
+
(OPTIONAL)
+
(OPTIONAL)
INTV
CC
C
B1
0.22µF
V
IN
C
SS
0.1µF
R
SS1
510k
PGND
SGND
11k
(OPTIONAL)
SW
INTV
CC
C
VCC
4.7µF
6.3V
V
IN2
= 5V
C
F
0.47µF
25V
R5
6.19k
C
C1
3300pF
C
ON
0.01µF
V
IN
(OPTIONAL)
R
ON
113k
1%
V
OUT
C2C1
(OPTIONAL)
R1
20.5k
1%
R2
30.1k
1%
(OPTIONAL)
INTV
CC
INTV
CC
R
PG1
100k
39.2k
C
C2
100pF
LTC3608
SGND
26
NC
25
NC
24
V
FB
23
I
ON
22
NC
21
SGND
20
FCB
19
I
TH
18
V
RNG
17
PGOOD
16
SGND
15
PV
IN
1
PV
IN
2
PV
IN
3
PV
IN
4
PV
IN
5
PV
IN
6
PV
IN
7
SW
8
NC
9
SGND
10
BOOST
11
RUN/SS
12
V
ON
13
SGND
14
PGND
40
PGND
39
PGND
38
PGND
37
PGND
36
PGND
35
PGND
34
SW
33
INTV
CC
32
INTV
CC
31
SV
IN
30
EXTV
CC
29
NC
28
SGND
27
SW
41
SW
42
SW
43
SW
44
SW
45
SW
46
SW
47
PV
IN
48
PV
IN
49
PV
IN
50
PV
IN
51
PV
IN
52
SGND
V
OUT
0.1µF
V
OUT
= SGND
= PGND
LOAD STEP 1A-8A
V
IN
= 3.6V
V
OUT
= 1.5V
FCB = 0V
3608 TA02a
20µs/DIV
V
OUT
200mV/DIV
I
L
5A/DIV
LOAD CURRENT (A)
100
50
EFFICIENCY (%)
55
65
75
60
70
80
85
90
95
100
1000 1000
3608 TA02b
10000
V
IN
= 3.6V
FREQ = 750kHz
CCM
DCM










