
LTC3411
7
3411fb
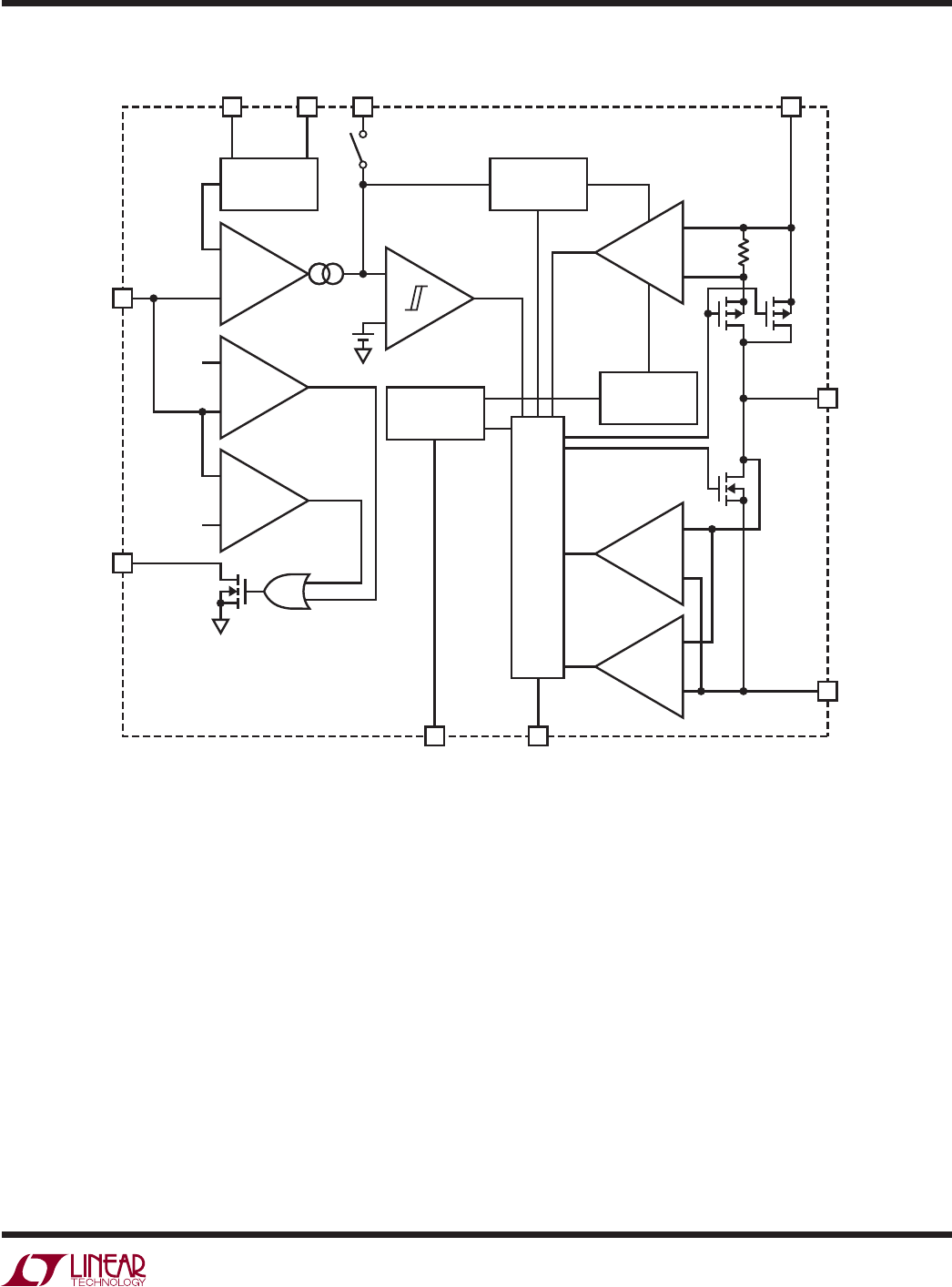
BLOCK DIAGRAM
–
+
8
9
–
+
+
–
–
+
0.74V
0.8V
ERROR
AMPLIFIER
V
B
BURST
COMPARATOR
HYSTERESIS = 80mV
B
BCLAMP
NMOS
COMPARATOR
PMOS CURRENT
COMPARATOR
REVERSE
COMPARATOR
0.86V
5
SW
4
PGOOD
10
I
TH
V
FB
1
SHDN/R
T
2
SYNC/MODE
3411 BD
6
PV
IN
3
SGND
7
SV
IN
SLOPE
COMPENSATION
VOLTAGE
REFERENCE
OSCILLATOR
LOGIC
I
TH
LIMIT
–
+
–
+
+
–
PGND