Datasheet
Table Of Contents
- Features
- Applications
- Description
- Typical Application
- Absolute Maximum Ratings
- Pin Configuration
- Order Information
- Electrical Characteristics
- Typical Performance Characteristics
- Pin Functions
- Block Diagram
- Operation
- Applications Information
- Typical Applications
- Package Description
- Revision History
- Typical Application
- Related Parts

LTC3112
27
3112fc
For more information www.linear.com/LTC3112
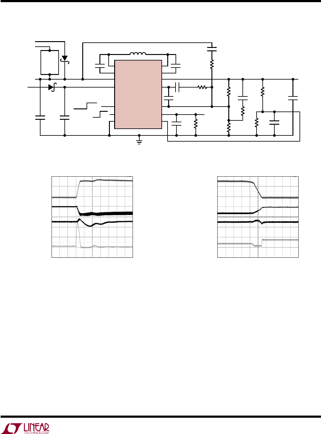
0.1µF
680pF
V
IN
4.7µH
0.1µF
33k
845k
158k
47pF 100µF
10k
42.2k100pF
TO ADC
1V PER AMP
33pF
158k
1000k
ONOFF
SW1
BST1
V
IN
V
CC
RUN
GND
PWM/SYNC
SW2
BST2
V
OUT
COMP
I
OUT
OVP
FB
LTC3112
V
OUT
5V/2.5A,
V
IN
> 5V
100µF
1µF
3112 TA06
PWMBURST
1050k
100pF
LTC4352
IDEAL
DIODE
12V ADAPTER
1-OR 2-SERIES
Li-ION CELLS
MBR735
22pF
V
OUT
OPTIONAL
Stepped Response from 1 or 2 Li-Ion to 12V Adapter Source with V
IN
Feedforward Network
Typical applicaTions
3112 TA06a
V
IN
5V/DIV
V
OUT
2V/DIV
INPUT CURRENT
10A/DIV
COMP
500mVDIV
100µs/DIV
3112 TA06b
V
IN
5V/DIV
V
OUT
2V/DIV
INPUT CURRENT
1A/DIV
COMP
500mVDIV
1ms/DIV
Adapter Plug-In Adapter Disconnect










