Datasheet
Table Of Contents
- Features
- Applications
- Description
- Typical Application
- Absolute Maximum Ratings
- Pin Configuration
- Order Information
- Electrical Characteristics
- Typical Performance Characteristics
- Pin Functions
- Block Diagram
- Operation
- Applications Information
- Typical Applications
- Package Description
- Revision History
- Typical Application
- Related Parts

LTC3112
26
3112fc
For more information www.linear.com/LTC3112
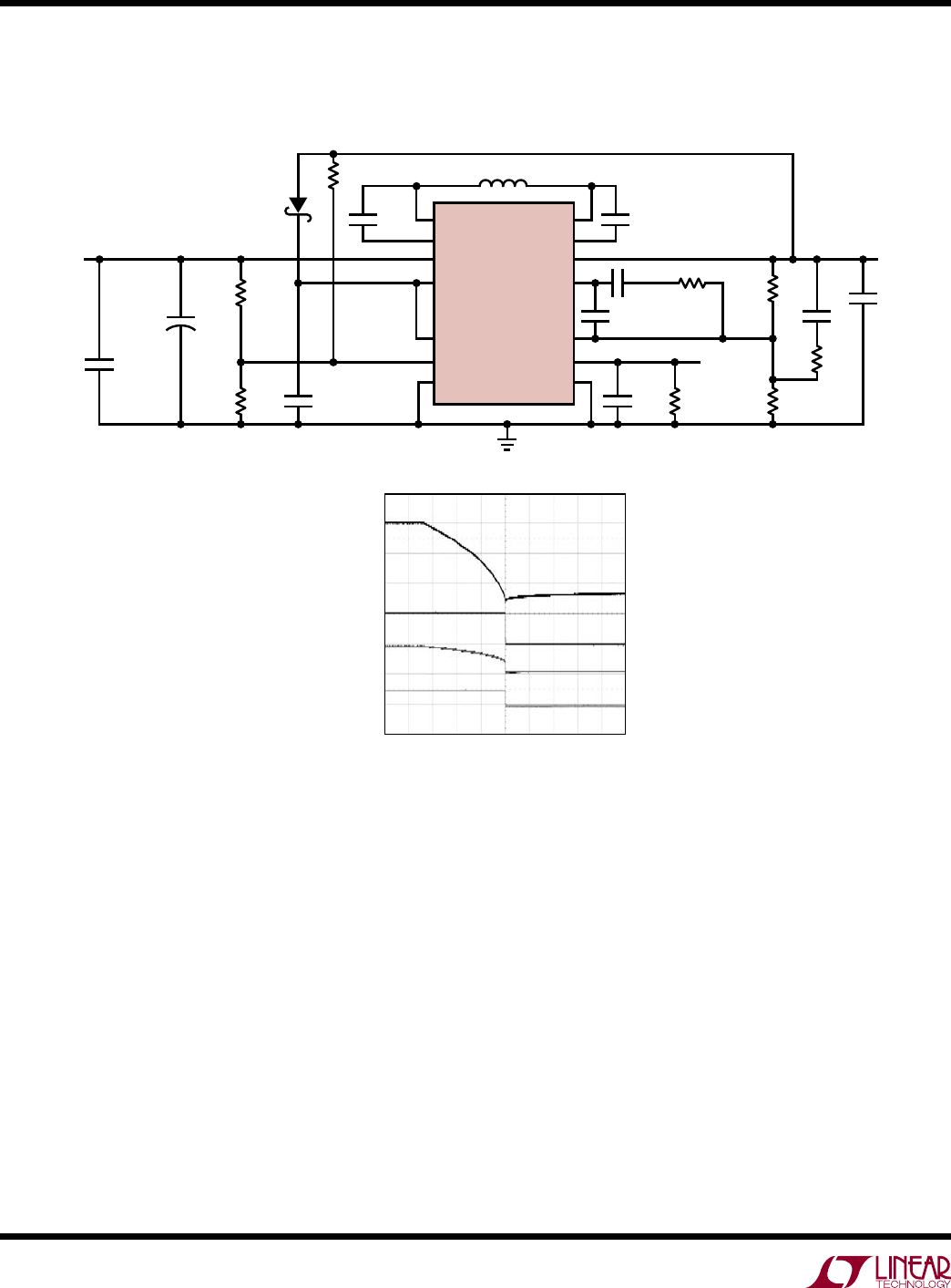
Typical applicaTions
0.1µF
680pF
V
IN
15V TO 2V
V
OUT
4.7µH
0.1µF
220µF
TANT
22mF
SUPERCAP
33k
845k
158k
47pF
47µF
10k
42.2k100pF
TO ADC
1V PER AMP
SW1
BST1
V
IN
V
CC
RUN
GND
PWM/SYNC
SW2
BST2
V
OUT
COMP
I
OUT
OVP
FB
LTC3112
V
OUT
5V/250mA
1µF
3112 TA05
22pF
499k
1M
499k
+
5V Backup Supply from Supercap Runs Down to V
IN
= 2V with 250mA Load
3112 TA05a
V
IN
5V/DIV
V
OUT
5V/DIV
I
LOAD
500mA/DIV
RUN
5V/DIV
500ms/DIV










