Datasheet
Table Of Contents
- Features
- Applications
- Description
- Typical Application
- Absolute Maximum Ratings
- Pin Configuration
- Order Information
- Electrical Characteristics
- Typical Performance Characteristics
- Pin Functions
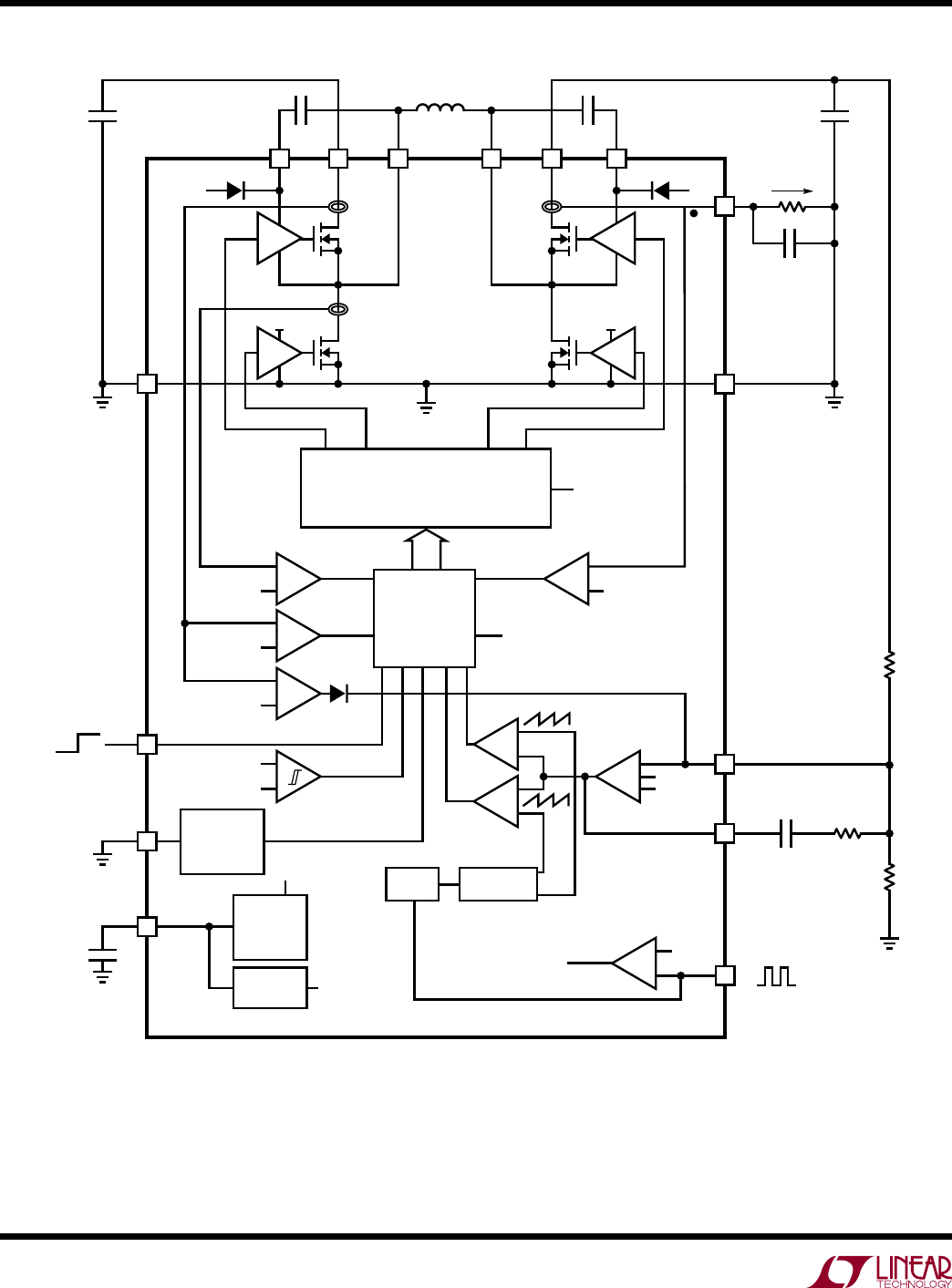
- Block Diagram
- Operation
- Applications Information
- Typical Applications
- Package Description
- Revision History
- Typical Application
- Related Parts

LTC3112
10
3112fc
For more information www.linear.com/LTC3112
block DiagraM
V
CC
V
CC
V
CC
V
CC
V
CC
V
CC
V
CC
2.7V TO 15V
V
IN
5V
V
OUT
BST1
4.7µH
BST2
GND
FB
COMP
PWM/
SYNC
I
OUT
SW1 SW2V
IN
V
OUT
24µA/A
ADRV BDRV CDRV
DDRV
DRIVERS
+
–
+
–
+
–
+
–
300mA
10A
6A
LOGIC
+
–
REVERSE I
LIM
–1A
+
+
–
–
+
ONOFF
2.3V
A
B
D
C
+
–
+
–
ADRV
BDRV
DDRV
CDRV
0.9V
Burst Mode OPERATION
PLL
750kHz
OSCILLATOR
0.8V
SOFT-START
RAMP
I
ZERO
I
PEAK
I
LIMIT
GND
RUN
OVP
V
CC
V
CC
V
IN
OVERVOLTAGE
PROTECTION
4.2V
REGULATOR
/CLAMP
REFERENCE
1.2V
UVLO










