Datasheet
Table Of Contents
- Features
- Applications
- Description
- Typical Application
- Absolute Maximum Ratings
- Pin Configuration
- Order Information
- Electrical Characteristics
- Typical Performance Characteristics
- Pin Functions
- Functional Diagram
- Timing Diagram
- Operation
- Applications Information
- Typical Applications
- Package Description
- Revision History
- Typical Application
- Related Parts

LTC2991
9
2991fd
For more information www.linear.com/LTC2991
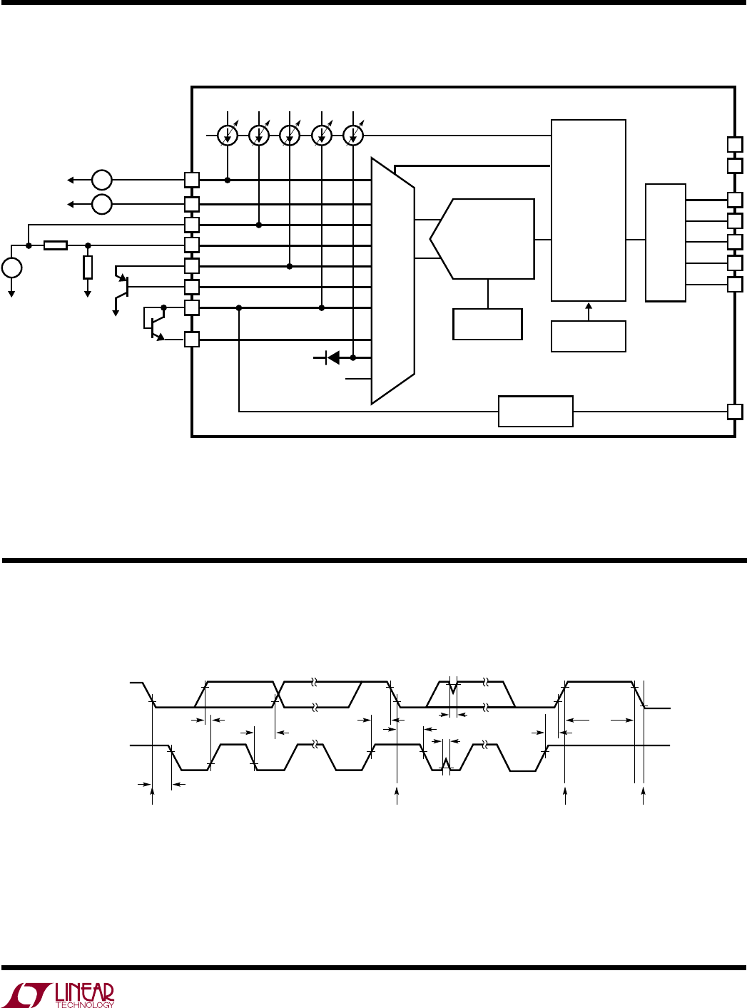
FuncTional DiagraM
ADC
MUX
MODE
REFERENCE
I
2
C
UNDERVOLTAGE
DETECTOR
V4
V5
V6
V7
UV
REMOTE
DIODE
SENSORS
POWER
MONITORING
R
L
R
SENSE
4
V3
3
SCL
2991 FD
V2
2
V1
1
7
6
5
CONTROL
LOGIC
11
SDA
10
PWM
12
ADR0
13
ADR1
14
ADR2
15
GND
9
V
CC
16
V8
8
PULSE WIDTH
DETECTOR
V
CC
V
CC
V
CC
V
CC
V
CC
V
CC
INTERNAL
SENSOR
+–
+–
+
–
VOLTAGE
MONITORING
TiMing DiagraM
t
SU, DAT
t
SU, STO
t
SU, STA
t
BUF
t
HD, STA
t
SP
t
SP
t
HD, DATO,
t
HD, DATI
t
HD, STA
START
CONDITION
STOP
CONDITION
REPEATED START
CONDITION
START
CONDITION
2991 TD
SDAI/SDAO
SCL










