Datasheet

LTC2253/LTC2252
15
22532fa
sample-and-hold charging glitches and limiting the
wideband noise at the converter input.
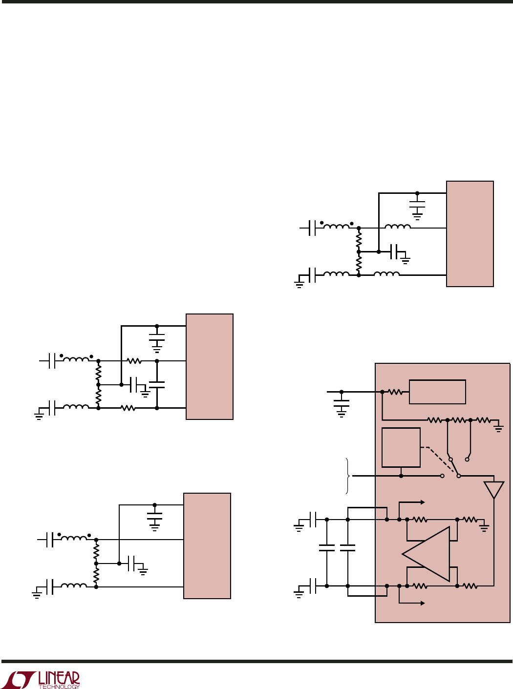
For input frequencies above 70MHz, the input circuits of
Figure 6, 7 and 8 are recommended. The balun trans-
former gives better high frequency response than a flux
coupled center tapped transformer. The coupling capaci-
tors allow the analog inputs to be DC biased at 1.5V. In
Figure 8, the series inductors are impedance matching
elements that maximize the ADC bandwidth.
Reference Operation
Figure 9 shows the LTC2253/LTC2252 reference circuitry
consisting of a 1.5V bandgap reference, a difference
amplifier and switching and control circuit. The internal
voltage reference can be configured for two pin selectable
input ranges of 2V (±1V differential) or 1V (±0.5V differ-
ential). Tying the SENSE pin to V
DD
selects the 2V range;
tying the SENSE pin to V
CM
selects the 1V range.
APPLICATIO S I FOR ATIO
WUUU
Figure 6. Recommended Front End Circuit for
Input Frequencies Between 70MHz and 170MHz
Figure 7. Recommended Front End Circuit for
Input Frequencies Between 170MHz and 300MHz
25
25
12
12
0.1µF
A
IN
+
A
IN
8pF
2.2µF
V
CM
LTC2253/
LTC2252
ANALOG
INPUT
0.1µF
0.1µF
T1
T1 = MA/COM, ETC 1-1-13
RESISTORS, CAPACITORS
ARE 0402 PACKAGE SIZE
22532 F06
25
25
0.1µF
A
IN
+
A
IN
2.2µF
V
CM
LTC2253/
LTC2252
ANALOG
INPUT
0.1µF
0.1µF
T1
T1 = MA/COM, ETC 1-1-13
RESISTORS, CAPACITORS
ARE 0402 PACKAGE SIZE
22532 F07
Figure 8. Recommended Front End Circuit for
Input Frequencies Above 300MHz
25
25
0.1µF
A
IN
+
A
IN
2.2µF
V
CM
LTC2253/
LTC2252
ANALOG
INPUT
0.1µF
0.1µF
T1
T1 = MA/COM, ETC 1-1-13
RESISTORS, CAPACITORS, INDUCTORS
ARE 0402 PACKAGE SIZE
22532 F08
8.2nH
8.2nH
V
CM
REFH
SENSE
TIE TO V
DD
FOR 2V RANGE;
TIE TO V
CM
FOR 1V RANGE;
RANGE = 2 • V
SENSE
FOR
0.5V < V
SENSE
< 1V
1.5V
REFL
2.2µF
2.2µF
INTERNAL ADC
HIGH REFERENCE
BUFFER
0.1µF
22532 F09
LTC2253/LTC2252
4
DIFF AMP
1µF
1µF
INTERNAL ADC
LOW REFERENCE
1.5V BANDGAP
REFERENCE
1V
0.5V
RANGE
DETECT
AND
CONTROL
Figure 9. Equivalent Reference Circuit
The 1.5V bandgap reference serves two functions: its
output provides a DC bias point for setting the common
mode voltage of any external input circuitry; additionally,
the reference is used with a difference amplifier to gener-
ate the differential reference levels needed by the internal
ADC circuitry. An external bypass capacitor is required for
the 1.5V reference output, V
CM
. This provides a high
frequency low impedance path to ground for internal and
external circuitry.