Datasheet

LTC2253/LTC2252
14
22532fa
to set the DC input level or as a reference level to an op amp
differential driver circuit. The V
CM
pin must be bypassed to
ground close to the ADC with a 2.2µF or greater capacitor.
Input Drive Impedance
As with all high performance, high speed ADCs, the
dynamic performance of the LTC2253/LTC2252 can be
influenced by the input drive circuitry, particularly the
second and third harmonics. Source impedance and input
reactance can influence SFDR. At the falling edge of CLK,
the sample-and-hold circuit will connect the 3.5pF
sampling capacitor to the input pin and start the sampling
period. The sampling period ends when CLK rises, holding
the sampled input on the sampling capacitor. Ideally the
input circuitry should be fast enough to fully charge
the sampling capacitor during the sampling period
1/(2F
ENCODE
); however, this is not always possible and the
incomplete settling may degrade the SFDR. The sampling
glitch has been designed to be as linear as possible to
minimize the effects of incomplete settling.
For the best performance, it is recommended to have a
source impedance of 100Ω or less for each input. The
source impedance should be matched for the differential
inputs. Poor matching will result in higher even order
harmonics, especially the second.
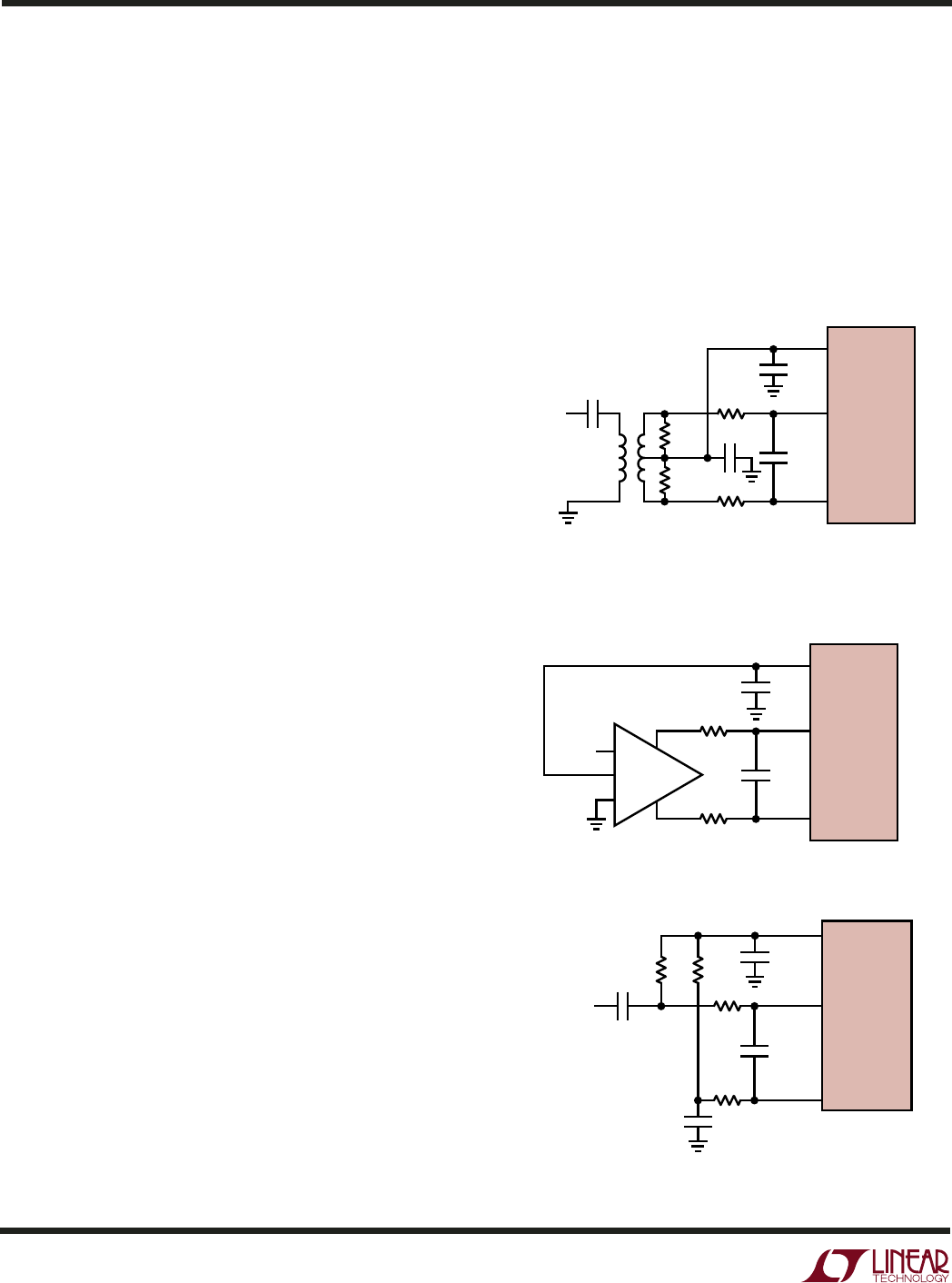
Input Drive Circuits
Figure 3 shows the LTC2253/LTC2252 being driven by an
RF transformer with a center tapped secondary. The
secondary center tap is DC biased with V
CM
, setting the
ADC input signal at its optimum DC level. Terminating on
the transformer secondary is desirable, as this provides a
common mode path for charging glitches caused by the
sample and hold. Figure 3 shows a 1:1 turns ratio trans-
former. Other turns ratios can be used if the source
impedance seen by the ADC does not exceed 100Ω for
each ADC input. A disadvantage of using a transformer is
the loss of low frequency response. Most small RF
transformers have poor performance at frequencies
below 1MHz.
Figure 4 demonstrates the use of a differential amplifier to
convert a single ended input signal into a differential input
signal. The advantage of this method is that it provides low
APPLICATIO S I FOR ATIO
WUUU
frequency input response; however, the limited gain band-
width of most op amps will limit the SFDR at high input
frequencies.
Figure 5 shows a single-ended input circuit. The imped-
ance seen by the analog inputs should be matched. This
circuit is not recommended if low distortion is required.
The 25Ω resistors and 12pF capacitor on the analog inputs
serve two purposes: isolating the drive circuitry from the
Figure 3. Single-Ended to Differential
Conversion Using a Transformer
25Ω
25Ω
25Ω
25Ω
0.1µF
A
IN
+
A
IN
–
12pF
2.2µF
V
CM
LTC2253/
LTC2252
ANALOG
INPUT
0.1µFT1
1:1
T1 = MA/COM ETC1-1T
RESISTORS, CAPACITORS
ARE 0402 PACKAGE SIZE
22532 F03
Figure 4. Differential Drive with an Amplifier
25Ω
25Ω
12pF
2.2µF
V
CM
LTC2253/
LTC2252
22532 F04
–
–
+
+
CM
ANALOG
INPUT
HIGH SPEED
DIFFERENTIAL
AMPLIFIER
A
IN
+
A
IN
–
25Ω
0.1µF
ANALOG
INPUT
V
CM
A
IN
+
A
IN
–
1k
12pF
22532 F05
2.2µF
1k
25Ω
0.1µF
LTC2253/
LTC2252
Figure 5. Single-Ended Drive










