Datasheet

LTC1871
33
1871fe
TYPICAL APPLICATIONS
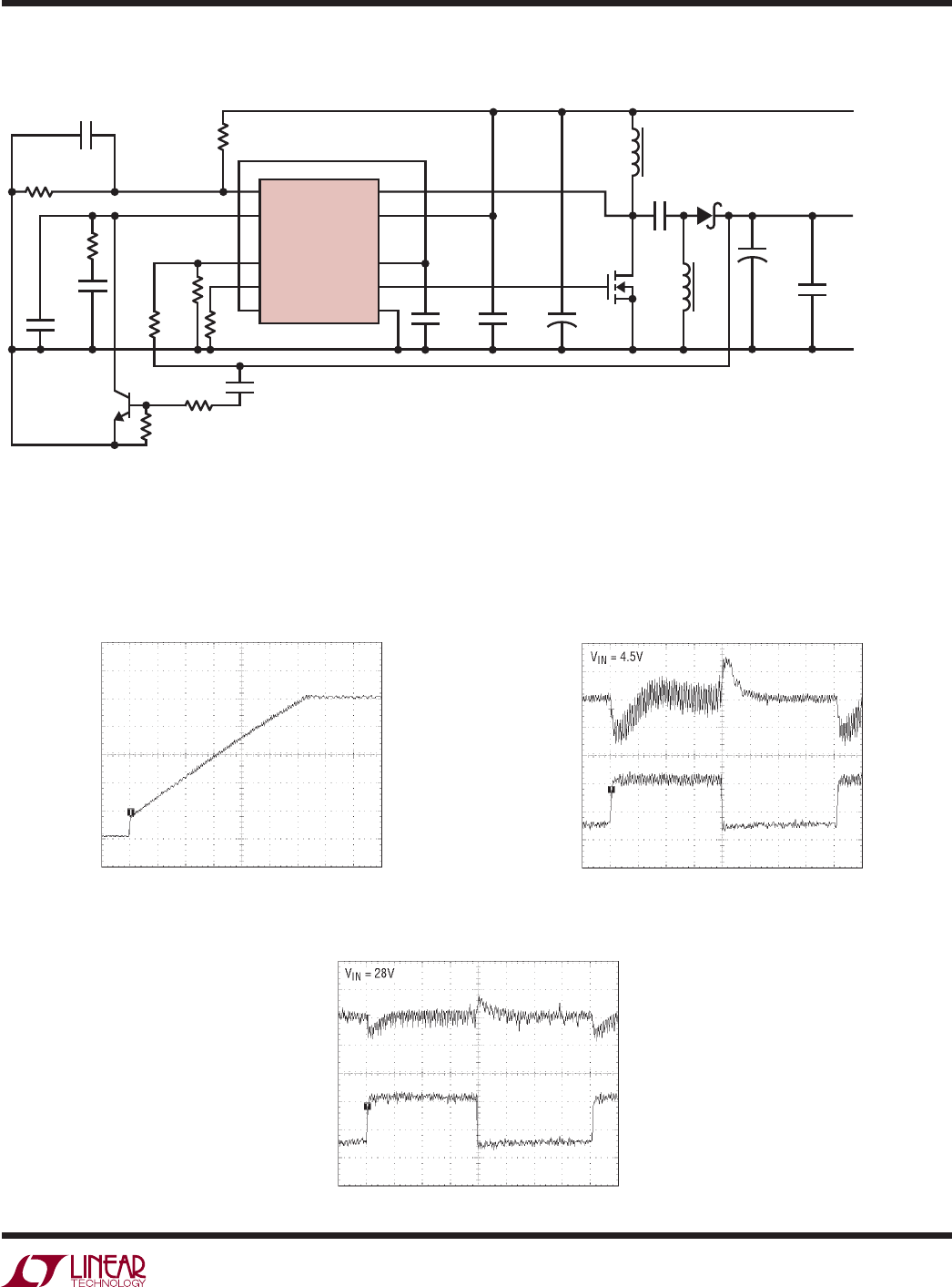
4.5V to 28V Input, 5V/2A Output SEPIC Converter with Undervoltage Lockout and Soft-Start
Soft-Start Load Step Response at V
IN
= 4.5V
Load Step Response at V
IN
= 28V
RUN
I
TH
FB
FREQ
MODE/SYNC
SENSE
V
IN
INTV
CC
GATE
GND
1
2
3
4
5
10
9
8
7
6
LTC1871
R
T
162k
1%
C2
1µF
X5R
NOTES:
1. V
IN
UVLO
+
= 4.17V
V
IN
UVLO
–
= 3.86V
2. SOFT-START dV
OUT
/dt = 5V/6ms
R4
49.9k
1%
R3
154k
1%
Q1
R1
115k
1%
R2
54.9k
1%
C
VCC
4.7µF
10V
X5R
C
IN1
2.2µF
35V
X5R
C
IN2
22µF
35V
M1
D1
•
•
L1*
L2*
R
C
12k
C
C1
8.2nF
C1
4.7nF
C
C2
47pF
R6
750Ω
R5
100Ω
C
OUT1
330µF
6.3V
V
IN
4.5V to 28V
V
OUT
5V
2A
(3A TO 4A PEAK)
GND
1871 TA02a
+
C
OUT2
22µF
6.3V
X5R
C
DC
2.2µF
25V
X5R
×3
+
C
IN1
, C
DC
: TAIYO YUDEN GMK325BJ225MN
C
IN2
: AVX TPSE226M035R0300
C
OUT1
: SANYO 6TPB330M
C
OUT2
: TAIYO YUDEN JMK325BJ226MN
C
VCC
: LMK316BJ475ML
D1: INTERNATIONAL RECTIFIER 30BQ040
L1, L2: BH ELECTRONICS BH510-1007 (*COUPLED INDUCTORS)
M1: SILICONIX/VISHAY Si4840
Q1: PHILIPS BC847BF
V
OUT
1V/DIV
1ms/DIV
1871 TA02b
V
OUT
100mV/DIV
(AC)
2.2A
0.5A
250µs/DIV
1871 TA02c
I
OUT
1A/DIV
(DC)
V
OUT
100mV/DIV
(AC)
2.2A
0.5A
250µs/DIV
1871 TA02d
I
OUT
1A/DIV
(DC)










