Datasheet

16
LTC1422
1422fb
LINEAR TECHNOLOGY CORPORATION 1997
LT/TP 0503 1K REV B • PRINTED IN USA
TYPICAL APPLICATION
U
PART NUMBER DESCRIPTION COMMENTS
LTC1421 Hot Swap Controller 24-Pin Multiple Supplies
LT1640L/LT1640H Negative Voltage Hot Swap Controller in SO-8 Operates from –10V to –80V
LT1641 High Voltage Hot Swap Controller in SO-8 Operates from 9V to 80V
LT1642 Fault Protected Hot Swap Controller Operates Up to 16.5V, Protected to 33V
LTC1643L/LTC1643H PCI-Bus Hot Swap Controller 3.3V, 5V and ±12V in Narrow 16-Pin SSOP
LT1645 2-Channel Hot Swap Controller Operates from 1.2V to 12V, Power Sequencing
LTC1647 Dual Hot Swap Controller in SO-8 or SSOP-16 Two ON Pins, Operates from 2.7V to 16.5V
RELATED PARTS
1
2
3
4
8
7
6
5
V
CC
SENSE
GATE
FB
LOAD
+
–
C3
100µF
100V
C5
0.22µF
100V
RESET
ON
TIMER
GND
LTC1422
Q1
IRF530
3
2
7
4
1422 F17
C1
0.47µF
25V
D1
7.5V
1N755A
R6
1M
5%
OPAMP
R7
270k
5%
C2
0.1µF
25V
R4
10k
5%
R5
15k
5%
R1
36k
5%
R2
1.2k
5%
FUSE
R3
10Ω
5%
R
SENSE
0.02Ω
5%
R
MIRROR
39Ω
5%
I
MIRROR
I
MIRROR
I
LOAD
48V
+
–
Q2
VN2222L
–
+
LT1006
R
TRIP
10Ω
5%
+
C4
1µF
25V
+
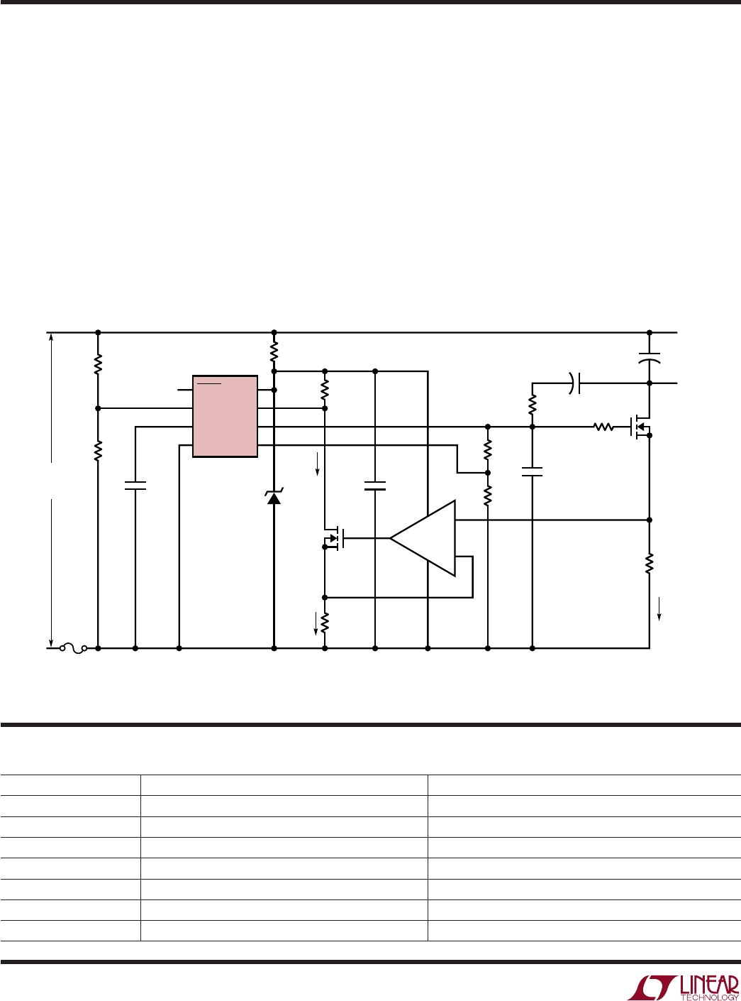
Figure 17. Switching 48V with Current Sensing
Current Sensing with 48V Applications
In the LTC1422, the SENSE pin threshold is 50mV below
the V
CC
pin. Typically, the current sense resistor is con-
nected to the V
CC
pin, but in 48V applications the sense
resistor is connected to the negative terminal of the 48V
supply. The circuit in Figure 17 translates the current in the
sense resistor to a resistor connected to the LTC1422
SENSE pin.
The voltage drop across the current sense resistor R
SENSE
is proportional to the load current I
LOAD
. The voltage drop
across R
SENSE
is buffered by the op amp follower and is
forced on R
MIRROR
.
The mirror current can be described as: I
MIRROR
= I
LOAD
•
R
SENSE
/R
MIRROR
. The mirror current flows through the
trip resistor R
TRIP
. When the mirror current generates
50mV across R
TRIP
, the LTC1422 will latch the GATE pin
low (50mV = I
MIRROR
• R
TRIP
= I
LOAD
• R
SENSE
/R
MIRROR
•
R
TRIP
). This example uses a 48V input but this translation
circuit can be used anywhere the current sense resistor is
not tied to V
CC
.
Linear Technology Corporation
1630 McCarthy Blvd., Milpitas, CA 95035-7417
(408) 432-1900
●
FAX: (408) 434-0507
●
www.linear.com










