Datasheet

14
LTC1422
1422fb
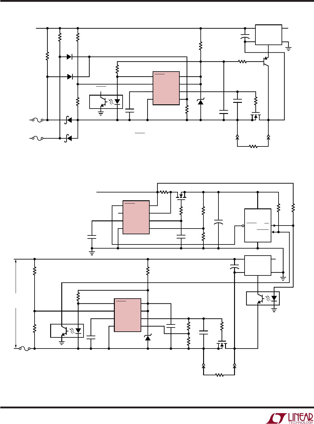
Figure 15. Switching 48V to a Vicor Module with Isolated Controller
1
2
3
4
8
7
6
5
V
CC
SENSE
GATE
FB
VICOR
VI-J30-CY
5V
GND
µP
PWRGD
RESET
ON
V
CC
++
__
GATE IN
C3
100µF
100V
RESET
ON
TIMER
GND
LTC1422
Q1
IRF530
OPTIONAL
PRECHARGE RESISTOR
1422 F15
1
2
3
4
8
7
6
5
V
CC
SENSE
GATE
FB
RESET
ON
TIMER
GND
LTC1422
Q4
5V
C1
0.1µF
25V
CIRCUIT TURNS ON WHEN V
IN
> 38V
CIRCUIT FOR ACTIVE HIGH TURN-ON MODULES
D1
7.5V
1N755A
C4
1µF
25V
R6
1M
5%
R7
270k
5%
C2
0.1µF
25V
R5
6.2k
5%
R4
5.1k
5%
R1
36k
5%
R2
1.2k
5%
R3
10Ω
5%
R8
510Ω
5%
48V
+
–
4N25
4N25
R11
5.1k
5%
R12
5.1k
5%
C5
0.33µF
16V
R10
10Ω
5%
R9
0.5Ω
5%
C6
0.022µF
16V
R13
28k
1%
R14
10k
1%
C7
47µF
16V
FUSE
+
+
Figure 14. Hot Swapping Redundant 48V Supplies
1
2
3
4
8
7
6
5
V
CC
SENSE
GATE
FB
VICOR
VI-J30-CY
5V
++
__
GATE IN
C3
100µF
100V
RESET
ON
TIMER
GND
LTC1422
Q1
IRF530
OPTIONAL
PRECHARGE RESISTOR
1422 F14
C1
0.33µF
16V
Q1 TURNS ON WHEN V
IN
> 38V
FAULT GOES LOW WHEN EITHER SUPPLY FAILS
D1
7.5V
1N755A
C4
1µF
25V
C2
0.1µF
25V
R5
10k
5%
R1
36k
5%
R7
10k
5%
R10
5.1k
5%
R9
1k
5%
R2
1.2k
5%
R3
10Ω
5%
Q2
MPSA56
R8
510Ω
5%
R4
10k
5%
FAULT
D2
MUR415
D4
1N4148
COMMON
RETURN
D5
1N4148
4N25
D3
MUR415
FUSE 2
FUSE 1
–48V
–48V
R6
10k
5%
+
APPLICATIONS INFORMATION
WUU
U










