Datasheet

12
LTC1326/LTC1326-2.5
132625fc
TYPICAL APPLICATIONS N
U
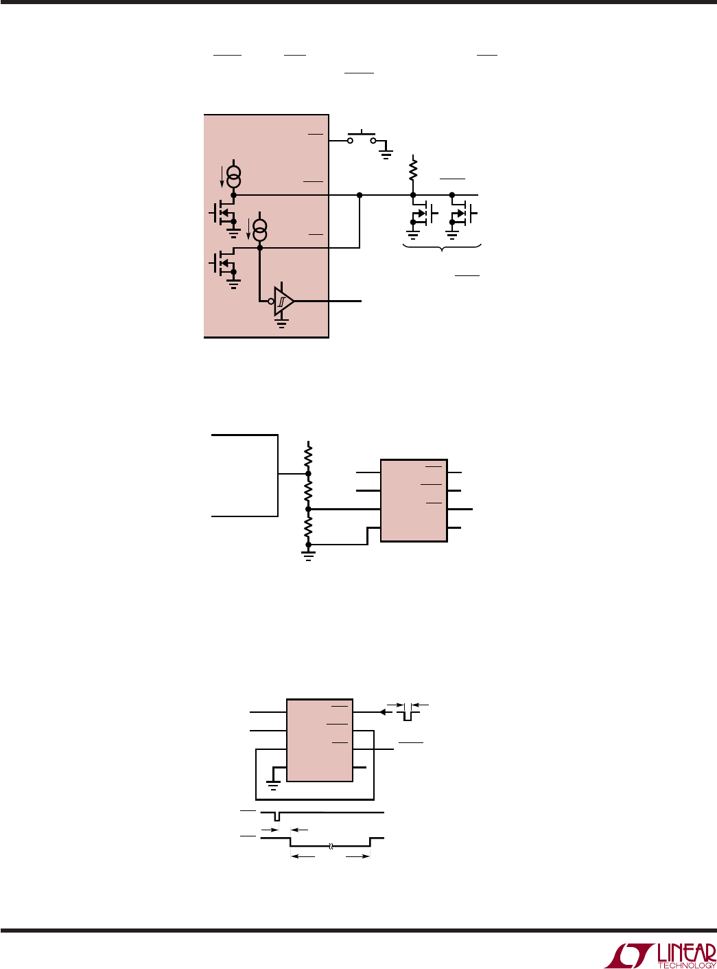
SRST Tied to RST and OR-Tying Other Sources to RST to
Generate Reset and Reset
Using V
CCA
Tied to DC/DC Feedback Divider
1
2
3
4
8
7
6
5
LTC1326
3.3V
SYSTEM
RESET
5V
22.1k
1%
1326/2.5 TA09
35.7k
1%
LTC1435
ADJUSTABLE
RESET TRIP
THRESHOLD 2.74V
2.9V
2.8k
1%
6
V
OSENSE
V
CC3
V
CC5
V
CCA
GND
PBR
SRST
RST
RST
Using the Short Pulse Width, Push-Button Soft Reset Feature
to Initiate Hard Reset
1
2
3
4
8
7
6
5
V
CC3
V
CC25
V
CCA
GND
PBR
SRST
RST
RST
LTC1326-2.5
3.3V
RESET
2.5V
PBR
20ms
RST
1326/2.5 TA11
200ms
40ns ≤ t
P
≤ 10µs
4.7k
SRST
6µA
6µA
3.3V
LTC1326/
LTC1326-2.5
PUSHBUTTON
RESET
RESET
1326/2.5 TA08
OTHER OPEN DRAIN
RESET SOURCES
OR-TIED TO RESET
7
8
PBR
RST
RST
V
CC3
6
5










