Datasheet

LTC1096/LTC1096L
LTC1098/LTC1098L
29
10968fc
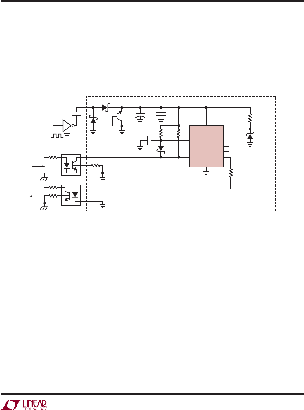
Remote or Isolated Systems
Figure 16 shows a fl oating system that sends data to a
grounded host system. The fl oating circuitry is isolated by
two optoisolators and powered by a simple capacitor diode
charge pump. The system has very low power requirements
because the LTC1096 shuts down between conversions
and the optoisolators draw power only when data is being
transferred. The system consumes only 50μA at a sample
rate of 10Hz (1ms on-time and 99ms off-time). This is
easily within the current supplied by the charge pump
running at 5MHz. If a truly isolated system is required,
the system’s low power simplifi es generating an isolated
supply or powering the system from a battery.
Figure 16. Power for This Floating A/D System Is Provided by a Simple Capacitor Diode Charge Pump. The Two Optoisolators
Draw No Current Between Samples, Turning On Only to Send the Clock and Receive Data
LTC1096
+IN
–IN
D
OUT
CS
CLK
V
CC
GND
V
REF
75k
LT1004-2.5
1k
20k
0.1μF
1N5817
0.022μF
47μF
1N5817
1N5817
0.001μF
2kV
5MHz
100k
300Ω
10k
500k
ANALOG
INPUT
FLOATING SYSTEM
CLK
DATA
100k
10968 F16
2N3904
+










