Datasheet

LTC1096/LTC1096L
LTC1098/LTC1098L
28
10968fc
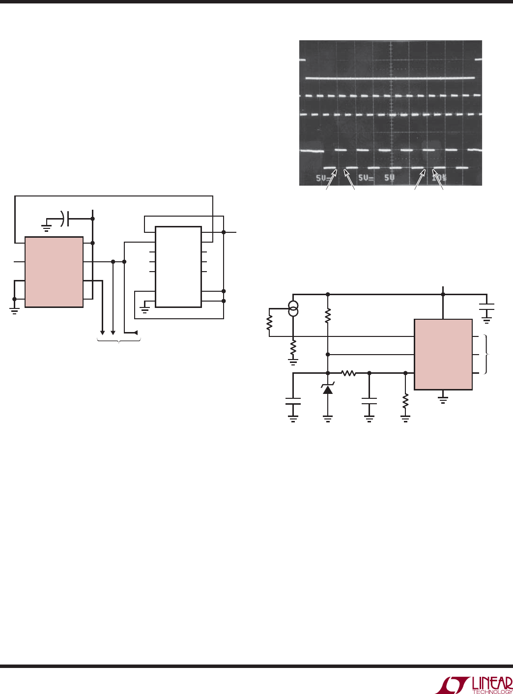
A “Quick Look” Circuit for the LTC1096
Users can get a quick look at the function and timing of
the LT1096 by using the following simple circuit (Figure
13). V
REF
is tied to V
CC
. V
IN
is applied to the +IN input and
the –IN input is tied to the ground. CS is driven at 1/16
the clock rate by the 74C161 and D
OUT
outputs the data.
The output data from the D
OUT
pin can be viewed on an
oscilloscope that is set up to trigger on the falling edge
of CS (Figure 14). Note the LSB data is partially clocked
out before CS goes high.
Figure 15. The LTC1096’s High Impedance Input Connects
Directly to This Temperature Sensor, Eliminating Signal
Conditioning Circuitry in This 0°C to 70°C Thermometer
Figure 14. Scope Trace the LTC1096 “Quick Look” Circuit
Showing A/D Output 10101010 (AA
HEX
)
Figure 13. “Quick Look” Circuit for the LTC1096
Figure 15 shows a temperature measurement system.
The LTC1096 is connected directly to the low cost silicon
temperature sensor. The voltage applied to the V
REF
pin
adjusts the full scale of the A/D to the output range of the
sensor. The zero point of the converter is matched to the
zero output voltage of the sensor by the voltage on the
LTC1096’s negative input.
CLR
CLK
A
B
C
D
P
GND
V
CC
RC
QA
QB
QC
QD
T
LOAD
74C161
V
IN
TO OSCILLOSCOPE
CLOCK IN 150kHz MAX
10968 F13
V
CC
CLK
D
OUT
V
REF
LTC1096
CS
CH0
CH1
GND
4.7μF
5V
5V
+
LTC1096
+IN
–IN
V
REF
CS
CLK
D
OUT
V
CC
GND
TO μP
63.4k
0.01μF
182k
0.01μF
LT1004-1.2
0.1μF
3V
75k
678Ω
13.5k
LM134
10968 F15
VERTICAL: 5V/DIV
HORIZONTAL: 10μs/DIV
NULL
BIT
CS
CLK
D
OUT
MSB
(B7)
LSB
(B0)
LSB DATA
(B1)
10968 F14










