Datasheet

LTC1096/LTC1096L
LTC1098/LTC1098L
12
10968fc
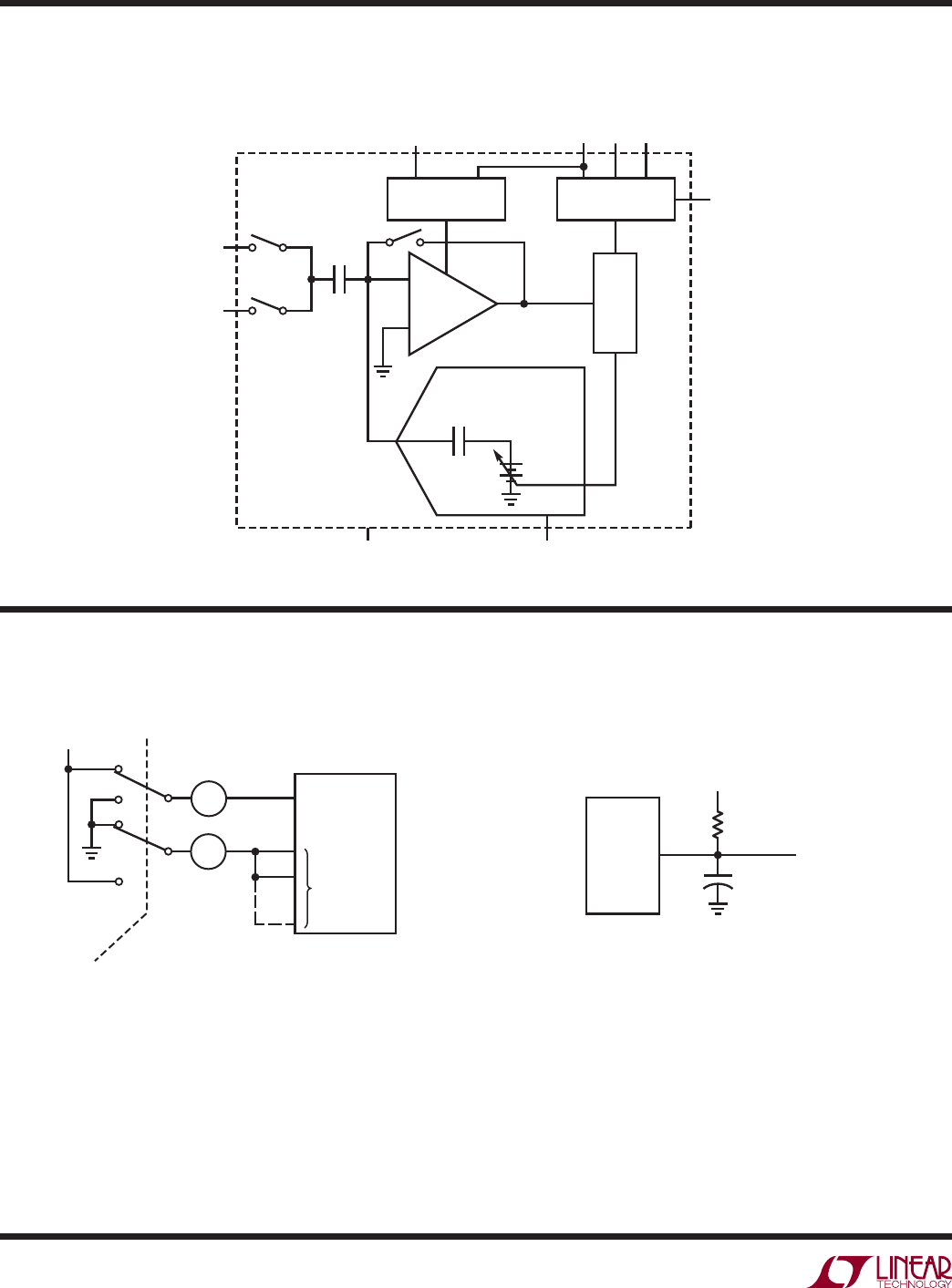
BLOCK DIAGRAM
LTC1096/LTC1096L
–
+
C
SAMPLE
BIAS AND
SHUTDOWN CIRCUIT
SERIAL PORT
V
CC
(V
CC
/V
REF
) CS CLK
D
OUT
IN
+
(CH0)
IN
–
(CH1)
MICROPOWER
COMPARATOR
CAPACITIVE DAC
SAR
V
REF
GND PIN NAMES IN PARENTHESES
REFER TO THE LTC1098/LTC1098L
(D
IN
)
10968 BD
TEST CIRCUITS
On and Off Channel Leakage Current Load Circuit for t
dDO
, t
r
and t
f
D
OUT
1.4V
3kΩ
100pF
TEST POINT
10968 TC02
5V
A
A
I
OFF
I
ON
POLARITY
OFF
CHANNEL
ON CHANNEL
10968 TC01
•
•
•
•










