Datasheet

LT3990/LT3990-3.3/LT3990-5
8
3990fa
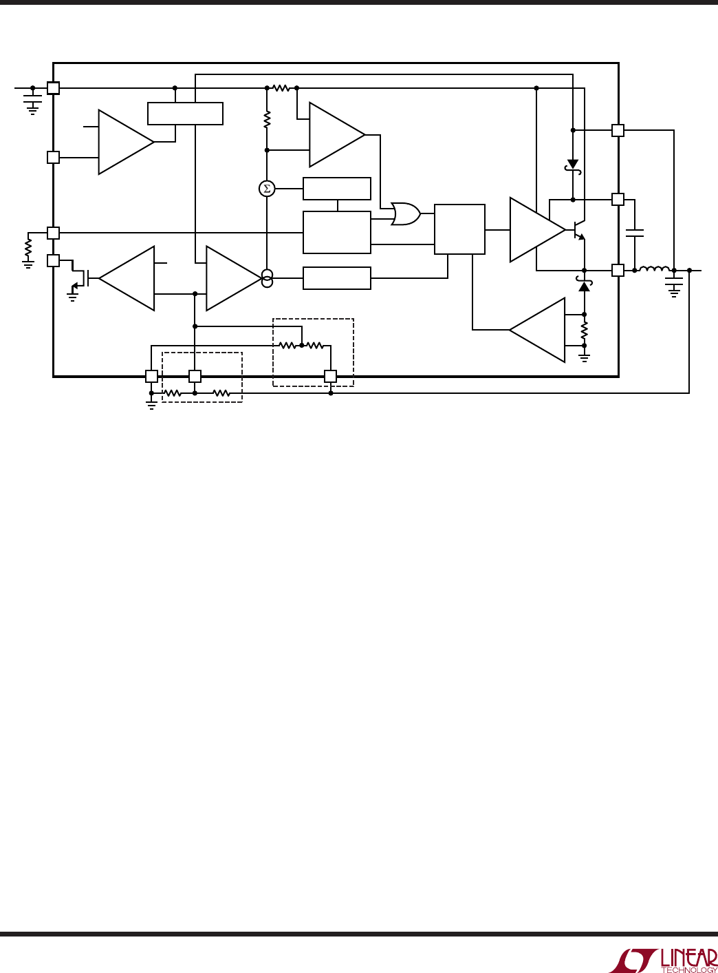
BLOCK DIAGRAM
R
SWITCH LATCH
D
BOOST
D
CATCH
BOOST
OSCILLATOR
200kHz TO 2.2MHz
SLOPE COMP
S
Q
+
+
+
Burst Mode
DETECT
ERROR
AMP
1.09V
SHDN
EN/UVLO
1.19V
C1
V
IN
INTERNAL 1.21V REF
+
RT
R
T
PG
FB
*LT3990-3.3: R1 = 12.65M, R2 = 7.35M
LT3990-5: R1 = 15.15M, R2 = 4.85M
LT3990
ONLY
LT3990-X
ONLY*
R2 R1
R1R2
V
C
V
OUT
GND
V
IN
BD
SW
V
OUT
C2
C3
3990 BD
L1