Datasheet
Table Of Contents

LT3663
6
3663fc
For more information www.linear.com/LT3663
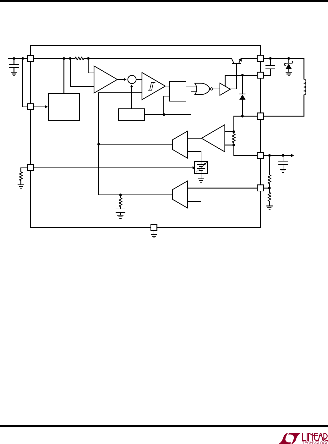
FuncTional block DiagraM
Σ
2.5V INTERNAL
REGULATOR,
REFERENCE,
UVLO AND OVP
OSCILLATOR
SLOPE
COMPENSATION
C3
R
SENSE1
V
IN
SWQ1
R
SENSE2
R1
NOTE: RESISTOR DIVIDER
IS INTERNAL ON LT3663-X
VERSIONS.
EXPOSED PAD (GND)
3663 BD
BOOST
I
SENSE
V
OUT
C1
R
ILIM
V
IN
INTERNAL
COMPENSATION
D1
D2
R
S
Q
–
+
–
+
–
+
DRIVER
L
C2
V
OUT
–
+
G2
A1
0.8V
–
+
G1
I
LIM
V
C
R2
FB
RUN










