Datasheet

7
LT1510/LT1510-5
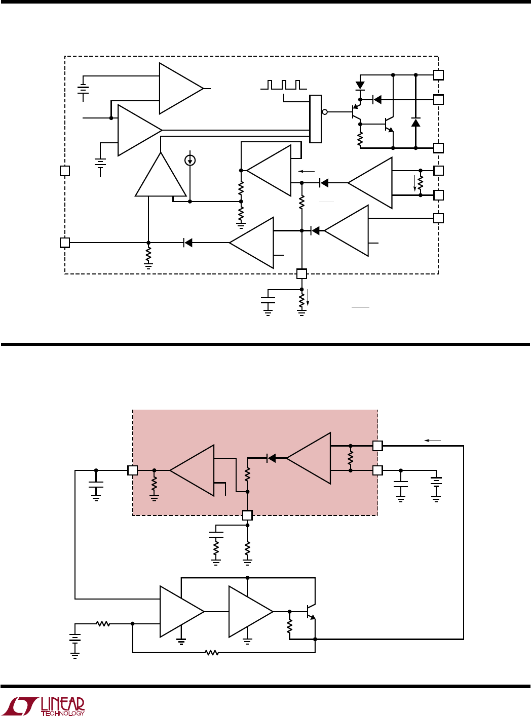
BLOCK DIAGRAM
W
TEST CIRCUITS
Test Circuit 1
–
+
V
REF
≈ 0.65V
V
BAT
V
C
2N3055
1k
LT1010
CA2
–
+
–
+
CA1
+
+
3.3k
20k
1k
1k
R
S1
I
BAT
BAT
SENSE
1510 TC01
PROG
R
PROG
0.047µF
LT1510
0.22µF
56µF
60k
LT1006
+
–
+
–
+
–
+
–
+
–
+
V
SW
0.7V
1.5V
V
BAT
V
REF
V
C
GND
SLOPE
COMPENSATION
R2
R3
C1
PWM
B1
CA2
–
+
–
+
CA1
VA
+
+
V
REF
2.465V
SHUTDOWN
200kHz
OSCILLATOR
S
R
R
R1
1k
R
S1
I
BAT
I
PROG
I
PROG
V
CC
V
CC
BOOST
SW
SENSE
BAT
0VP
1510 BD
PROG
R
PROG
C
PROG
60k
I
PROG
I
BAT
= 500µA/A
Q
SW
g
m
= 0.64
Ω
CHARGING CURRENT I
BAT
= (I
PROG
)(2000)
=
2.465V
R
PROG
(2000)
()










