Datasheet

11
LT1510/LT1510-5
APPLICATIONS INFORMATION
WUU
U
period, after which the LT1510 can be shut down by
pulling the V
C
pin low with an open collector or drain.
Some external means must be used to detect the need for
additional charging if needed, or the charger may be
turned on periodically to complete a short float-voltage
cycle.
Current trip level is determined by the battery voltage, R1
through R3, and the internal LT1510 sense resistor
( 0.18 pin-to-pin). D2 generates hysteresis in the trip
level to avoid multiple comparator transitions.
Nickel-Cadmium and Nickel-Metal-Hydride Charging
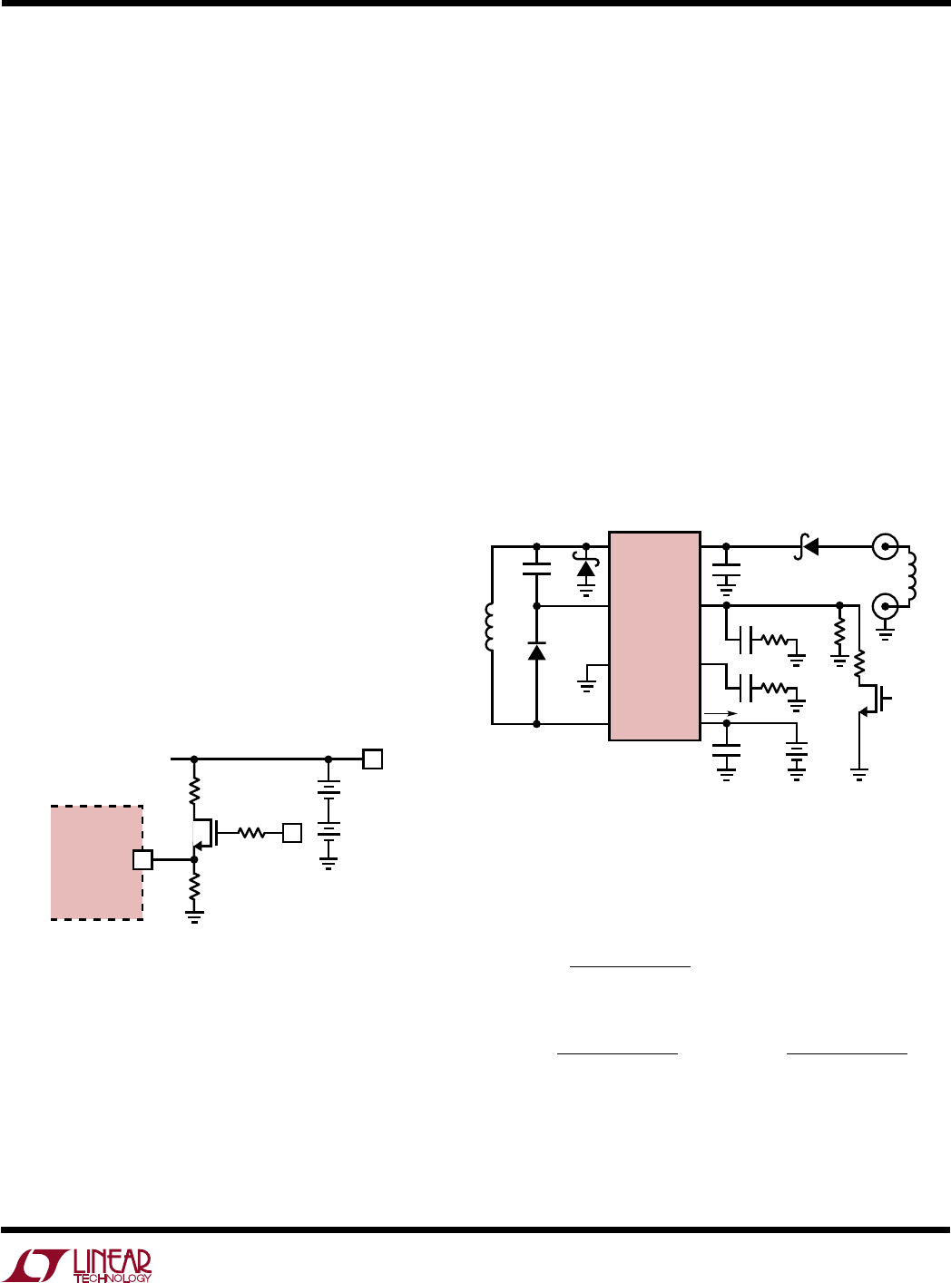
The circuit in Figure 6 uses the 8-pin LT1510 to charge
NiCd or NiMH batteries up to 12V with charging currents
of 0.5A when Q1 is on and 50mA when Q1 is off.
of the battery, canceling part or all of the 200µA. Note that
if net current is into the battery and the battery is removed,
the charger output voltage will float high, to near input
voltage. This could be a problem when reinserting the
battery, if the resulting output capacitor/battery surge
current is high enough to damage either the battery or the
capacitor.
If net current into the battery must be less than zero in
shutdown, there are several options. Increasing divider
current to 300µA - 400µA will ensure that net battery
current is less than zero. For long term storage conditions
however, the divider may need to be disconnected with a
MOSFET switch as shown in Figures 2 and 5. A second
option is to connect a 1N914 diode in series with the
MOSFET drain. This will limit how far the V
C
pin will be pulled
down, and current ( 700µA) will flow
into
the BAT pin, and
therefore out of the battery. This is not usually a problem
unless the charger will remain in the shutdown state with
input power applied for very long periods of time.
Removing input power to the charger will cause the BAT
pin current to drop to near zero, with only the divider
current remaining as a small drain on the battery. Even
that current can be eliminated with a switch as shown in
Figures 2 and 5.
Figure 5. Disconnecting Voltage Divider
Some battery manufacturers recommend termination of
constant-voltage float mode after charging current has
dropped below a specified level (typically 50mA to 100mA)
and
a further time-out period of 30 minutes to 90 minutes
has elapsed. This may extend the life of the battery, so
check with manufacturers for details. The circuit in Figure
7 will detect when charging current has dropped below
75mA. This logic signal is used to initiate a time-out
Figure 6. Charging NiMH or NiCd Batteries
(Efficiency at 0.5A 90%)
For a 2-level charger, R1 and R2 are found from:
I
R
BAT
PROG
=
()( )
2000 2 465.
R
I
R
II
LOW HI LOW
1
2 465 2000
2
2 465 2000
=
()()
=
()()
..
All battery chargers with fast-charge rates require some
means to detect full charge state in the battery to terminate
the high charging current. NiCd batteries are typically
charged at high current until temperature rise or battery
R3
12k
R4
4.99k
0.25%
R5
220k
OVP
V
IN
+
+
4.2V
4.2V
V
BAT
Q3
VN2222
LT1510
1510 F05
SW
BOOST
GND
SENSE
V
CC
PROG
V
C
BAT
R2
11k
+
R1
100k
Q1
VN2222
* TOKIN OR MARCON CERAMIC
 SURFACE MOUNT
** COILTRONICS CTX33-2
WALL
ADAPTER
1510 F05.5
C1
0.22µF
C
IN
*
10µF
L1**
33µH
LT1510
D1
1N5819
D3
1N5819
D2
1N914
+
C
OUT
22µF
TANT
0.1µF
+
1k
1µF
300
2V TO
20V
I
BAT
ON: I
BAT
= 0.5A
OFF: I
BAT
= 0.05A