Multi F Engineering Manual

Power Wiring (208-230V) and Communications Cable Details
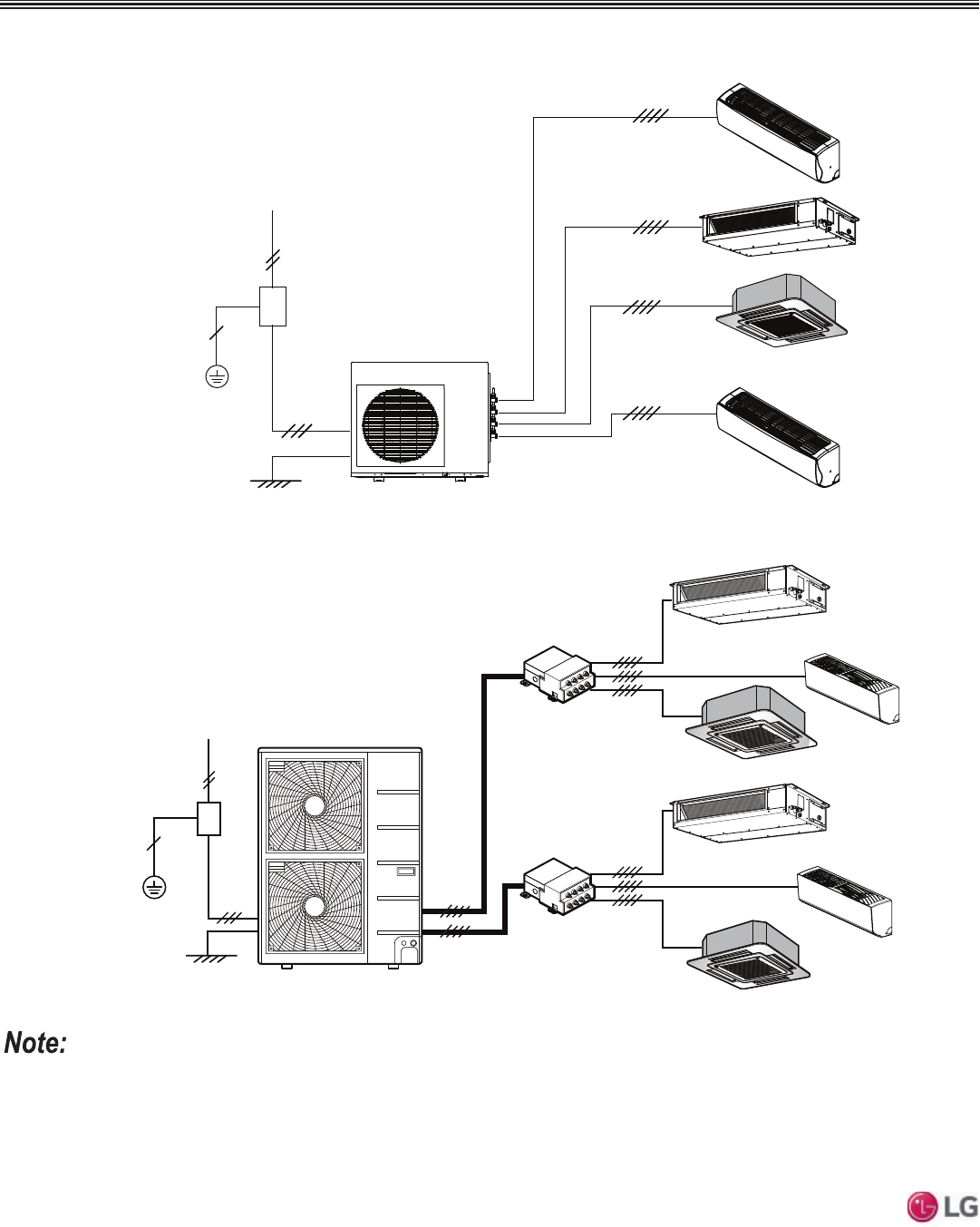
ELECTRICAL CONNECTIONS
)LJXUHMulti F with LGRED System General Power / Communications System Schematic.
)LJXUHMulti F MAX with LGRED System General Power / Communications System Schematic.
• Secure the separate wires in the control box panel using zip ties.
• Secure wiring with accessory clamps so that it does not touch the piping.
• Use a conduit for the communications cable / power wiring from the outdoor unit to the indoor / branch distribution units.
• 0DNHVXUHWKHFRPPXQLFDWLRQVFDEOHSRZHUZLULQJIURPWKHRXWGRRUXQLWVWRWKHLQGRRUEUDQFKGLVWULEXWLRQXQLWVDQGWKHSRZHUZLULQJWR
the outdoor unit are separate, otherwise, the outdoor unit operation will be affected by electrical noise and will malfunction or fail.
Power Supply
Circuit Breaker
Indoor Unit
Branch Distribution Unit
Ground Wiring
Outdoor Unit
Branch Distribution Unit
Indoor Units
Power Supply
Circuit Breaker
Ground Wiring
Outdoor Unit
'XHWRRXUSROLF\RIFRQWLQXRXVSURGXFWLQQRYDWLRQVRPHVSHFL¿FDWLRQVPD\FKDQJHZLWKRXWQRWL¿FDWLRQ
©/*(OHFWURQLFV86$,QF(QJOHZRRG&OLIIV1-$OOULJKWVUHVHUYHG³/*´LVDUHJLVWHUHGWUDGHPDUNRI/*&RUS
214 | WIRING CONNECTIONS
Multi F and Multi F MAX Indoor Unit Engineering Manual
MULTI
F
MAX
MULTI
F