Multi F Engineering Manual

Wiring Diagram
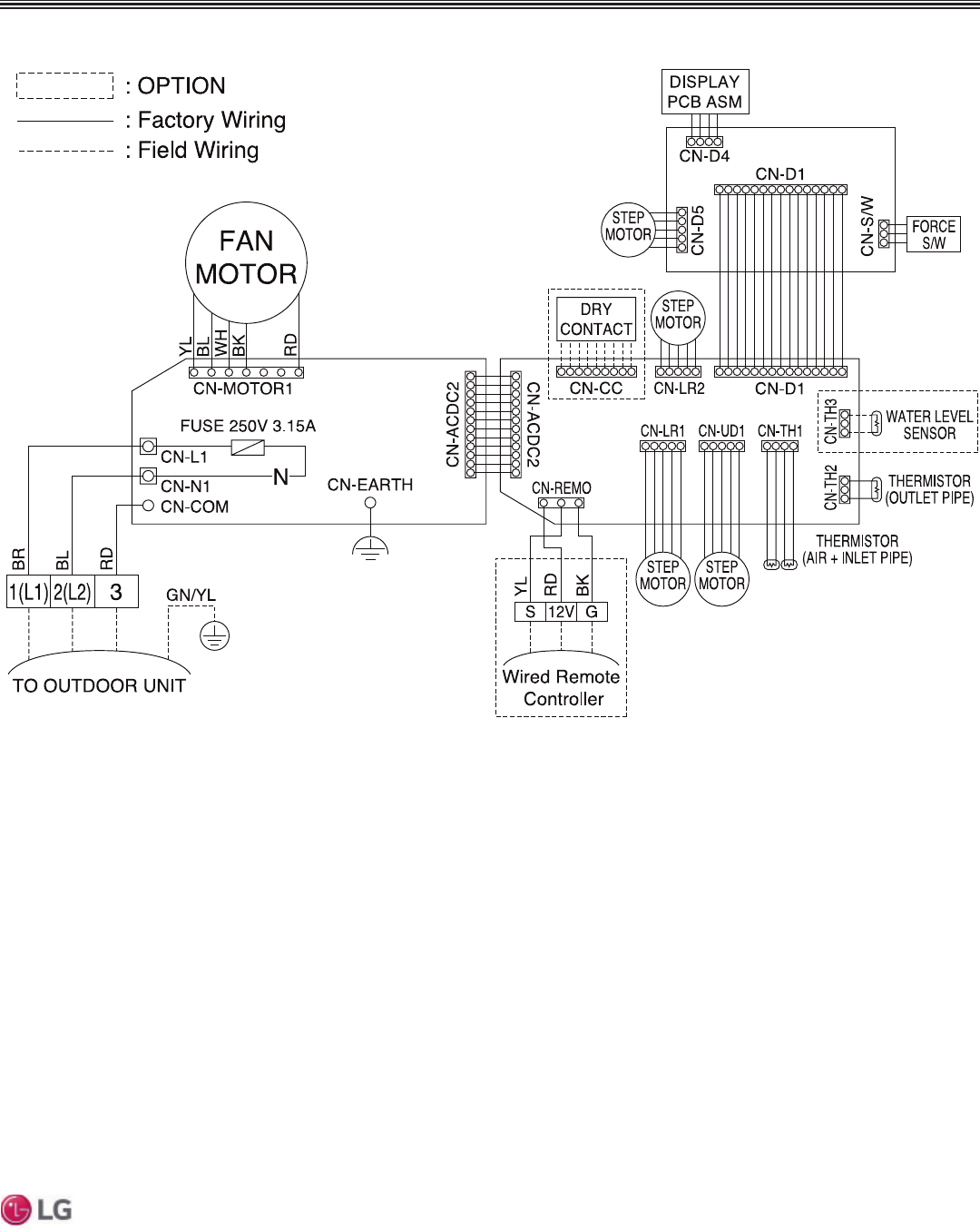
)LJXUH0XOWL)$UW&RRO*DOOHU\,QGRRU8QLWV:LULQJ'LDJUDP
ART COOL GALLERY INDOOR UNITS
ART COOL GALLERY™ | 37
Art Cool Gallery™
'XHWRRXUSROLF\RIFRQWLQXRXVSURGXFWLQQRYDWLRQVRPHVSHFL¿FDWLRQVPD\FKDQJHZLWKRXWQRWL¿FDWLRQ
©/*(OHFWURQLFV86$,QF(QJOHZRRG&OLIIV1-$OOULJKWVUHVHUYHG³/*´LVDUHJLVWHUHGWUDGHPDUNRI/*&RUS
MULTI
F
MAX
MULTI
F