Multi F Engineering Manual

MULTI
F
MAX
MULTI
F
Wiring Diagrams
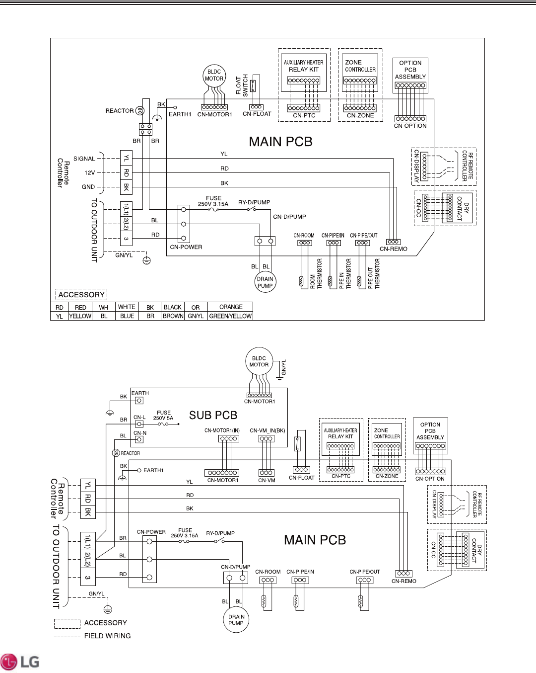
DUCT (HIGH STATIC) INDOOR UNITS
)LJXUH0XOWL)&HLOLQJ&RQFHDOHG'XFW+LJK6WDWLF/0+1+9,QGRRU8QLWV:LULQJ'LDJUDP
)LJXUH0XOWL)&HLOLQJ&RQFHDOHG'XFW+LJK6WDWLF/0+1+9,QGRRU8QLWV:LULQJ'LDJUDP
ROOM
THERMISTOR
PIPE IN
THERMISTOR
PIPE OUT
THERMISTOR
DUCT (HIGH STATIC) | 103
Ceiling-Concealed Duct (High Static)
'XHWRRXUSROLF\RIFRQWLQXRXVSURGXFWLQQRYDWLRQVRPHVSHFL¿FDWLRQVPD\FKDQJHZLWKRXWQRWL¿FDWLRQ
©/*(OHFWURQLFV86$,QF(QJOHZRRG&OLIIV1-$OOULJKWVUHVHUYHG³/*´LVDUHJLVWHUHGWUDGHPDUNRI/*&RUS