Datasheet

MOUNTING INSTRUCTIONS
MONTAGEANWEISUNG
DE
MOUNTING INSTRUCTIONS
EN
SICHERHEITS-LICHTSCHRANKEN-SETS MLDSET-M1
UND MLDSET-M2
MLDSET-M1 AND MLDSET-M2 LIGHT BEAM
SAFETY DEVICE SETS
© Leuze electronic GmbH + Co. KG, In der Braike 1, 73277 Owen, Germany, Phone: +49 (0) 7021/573-0, Fax: -199, info@leuze.de, www.leuze.com We reserve the right to make changes 2012/06 Art. no. 700072
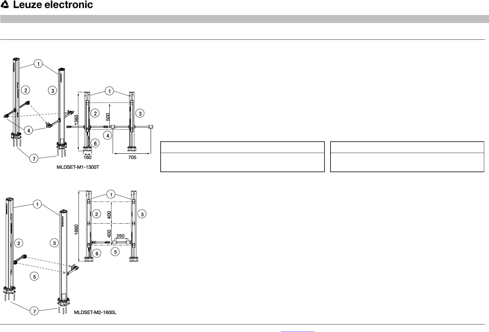
MLDSET-Mx-yy00T (T-Shape)
MLDSET-Mx-yy00L (L-Shape)
MLDSET Komponenten (im Lieferumfang enthalten):
UDC-yy00-S2
Muting Transceiver MLD530-RT2M oder MLD530-RT3M
MLD-M002 oder MLD-M003
SET-AC-MTX.2-2S (T-Shape)
SET-AC-MTX.2-2SA (L-Shape)
AC-SCM5-BT
Fix-Anker W-FA/S
Klemmhalterung BT-P40
Bohrschablone
Anschlussleitung für MLD530 in passender Länge
(Maschinen-Interface) muss separat bestellt werden!
HINWEIS:
Befolgen Sie sorgfältig alle Hinweise zum Sicherheits-Sensor in
der Original Betriebsanleitung auf der beiliegenden CD-ROM.
Montageschritte (Step):
1. Säulen am Boden befestigen
2. Säulen ausrichten
3. Muting-Sensor-Sets befestigen und ausrichten
4. Elektrischen Anschluss herstellen
5. Muting Transceiver MLD530 ausrichten und in Betrieb nehmen
6. Muting-Sensor-Sets in Betrieb nehmen
7. Checkliste – Vor der ersten Inbetriebnahme bearbeiten (siehe
Original Betriebsanleitung des Sicherheits-Sensors)
Erforderliche Werkzeuge:
Inbusschlüssel-Satz
Sechskantschlüssel-Satz
Wasserwaage
Bohrhammer mit 10 mm Betonbohrer
Hammer
Kreuzschlitzschraubendreher
MLDSET components (included in delivery):
UDC-yy00-S2
MLD530-RT2M or MLD530-RT3M muting transceiver
MLD-M002 or MLD-M003
SET-AC-MTX.2-2S (T shape)
SET-AC-MTX.2-2SA (L shape)
AC-SCM5-BT
Fastening anchor W-FA/S
BT-P40 clamp bracket
Drilling template
Connection cable in the correct lengths (machine
interface) for the MLD530 must be ordered separately!
NOTE:
Carefully follow all notices regarding the safety sensor in the
original operating instructions on the enclosed CD-ROM.
Mounting steps:
1. Fasten the columns on the floor
2. Adjust columns
3. Fasten and align the Muting Sensor Sets
4. Establish the electrical connection
5. Align and start up MLD530 muting transceiver
6. Start up Muting Sensor Sets
7. Edit Checklist – before the initial start-up (see original oper-
ating instructions of the safety sensor)
Necessary tools:
Allen key set
Hexagon wrench set
Spirit level
Hammer drill with 10 mm concrete bit
Hammer
Cross-head screwdriver







