Datasheet

MOUNTING INSTRUCTIONS   
MONTAGEANWEISUNG 
DE 
MOUNTING INSTRUCTIONS 
EN 
SICHERHEITS-LICHTSCHRANKEN-SETS MLDSET-M1 
UND MLDSET-M2 
MLDSET-M1 AND MLDSET-M2 LIGHT BEAM 
SAFETY DEVICE SETS 
© Leuze electronic GmbH + Co. KG, In der Braike 1, 73277 Owen, Germany, Phone: +49 (0) 7021/573-0, Fax: -199, info@leuze.de, www.leuze.com We reserve the right to make changes 2012/06 Art. no. 700072 
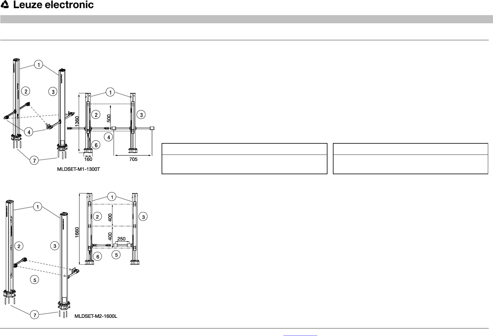
MLDSET-Mx-yy00T   (T-Shape) 
MLDSET-Mx-yy00L   (L-Shape) 
MLDSET Komponenten (im Lieferumfang enthalten): 
 UDC-yy00-S2 
 Muting Transceiver MLD530-RT2M oder MLD530-RT3M 
 MLD-M002 oder MLD-M003 
 SET-AC-MTX.2-2S (T-Shape) 
 SET-AC-MTX.2-2SA (L-Shape) 
 AC-SCM5-BT 
 Fix-Anker W-FA/S 
  Klemmhalterung BT-P40 
  Bohrschablone 
Anschlussleitung für MLD530 in passender Länge 
(Maschinen-Interface) muss separat bestellt werden! 
HINWEIS: 
Befolgen Sie sorgfältig alle Hinweise zum Sicherheits-Sensor in 
der Original Betriebsanleitung auf der beiliegenden CD-ROM. 
Montageschritte (Step): 
1. Säulen am Boden befestigen 
2. Säulen ausrichten 
3. Muting-Sensor-Sets befestigen und ausrichten 
4. Elektrischen Anschluss herstellen 
5. Muting Transceiver MLD530 ausrichten und in Betrieb nehmen 
6. Muting-Sensor-Sets in Betrieb nehmen 
7. Checkliste – Vor der ersten Inbetriebnahme bearbeiten (siehe 
Original Betriebsanleitung des Sicherheits-Sensors) 
Erforderliche Werkzeuge: 
  Inbusschlüssel-Satz 
  Sechskantschlüssel-Satz 
  Wasserwaage 
  Bohrhammer mit 10 mm Betonbohrer 
  Hammer 
  Kreuzschlitzschraubendreher 
MLDSET components (included in delivery): 
 UDC-yy00-S2 
 MLD530-RT2M or MLD530-RT3M muting transceiver 
 MLD-M002 or MLD-M003 
 SET-AC-MTX.2-2S (T shape) 
 SET-AC-MTX.2-2SA (L shape) 
 AC-SCM5-BT 
 Fastening anchor W-FA/S 
  BT-P40 clamp bracket 
  Drilling template 
Connection cable in the correct lengths (machine 
interface) for the MLD530 must be ordered separately! 
NOTE: 
Carefully follow all notices regarding the safety sensor in the 
original operating instructions on the enclosed CD-ROM. 
Mounting steps:  
1. Fasten the columns on the floor 
2. Adjust columns 
3. Fasten and align the Muting Sensor Sets 
4. Establish the electrical connection 
5. Align and start up MLD530 muting transceiver 
6. Start up Muting Sensor Sets 
7. Edit Checklist – before the initial start-up (see original oper-
ating instructions of the safety sensor) 
Necessary tools: 
  Allen key set 
  Hexagon wrench set 
  Spirit level 
  Hammer drill with 10 mm concrete bit 
  Hammer 
  Cross-head screwdriver 







