Data Sheet

www.kuebler.com
831/2009
Impulszähler elektromechanisch
KK 0044..8800
3 V 4,5 V 12 V 24 V
(4 stellig) Art-.Nr. Art-.Nr. Art-.Nr. Art-.Nr.
DC (10 Imp/s) 1.100.800.006 1.100.800.008 1.100.800.012 1.100.800.418
DC (25 Imp/s) 1.100.800.032 1.100.800.033
KK 0055..8800
3 V 4,5 V 12 V 24 V
(5 stellig) Art-.Nr. Art-.Nr. Art-.Nr. Art-.Nr.
DC (10 Imp/s) 1.110.800.006 1.110.800.008 1.110.800.012 1.110.800.418
DC (25 Imp/s) 1.110.800.032 1.110.800.033
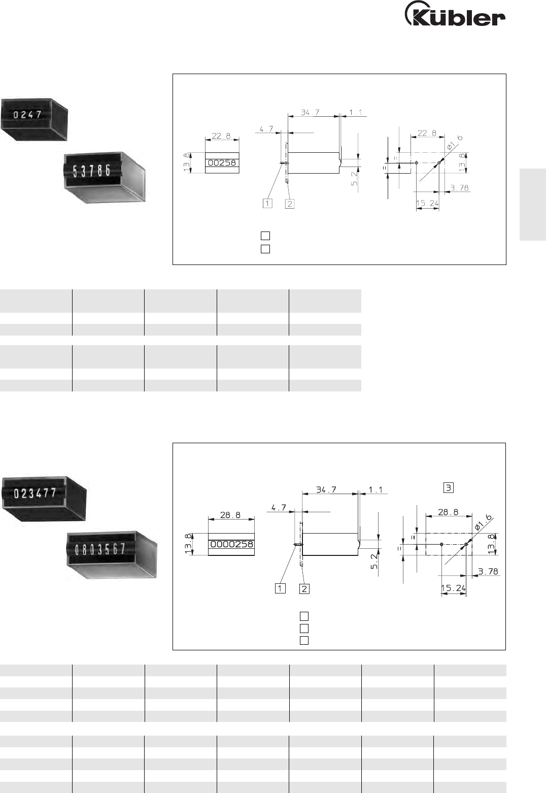
Lochbild für Leiterplatte
Bestückungsseite
TTyypp KK 0066..8800 uunndd KK 0077..8800
KK 0077..8800
3 V 4,5 V 12 V 24 V 115 V 230 V
(7 Stellig) Art-.Nr. Art-.Nr. Art-.Nr. Art-.Nr. Art-.Nr. Art-.Nr.
DC (10 Imp/s) 1.130.800.006 1.130.800.008 1.130.800.012 1.120.800.418
DC (25 Imp/s) 1.130.800.032* 1.130.800.033
AC (10 Imp/s) 1.130.800.051 1.130.800.054 1.130.800.056
KK 0066..8800
3 V 4,5 V 12 V 24 V 115 V 230 V
(6 Stellig) Art-.Nr. Art-.Nr. Art-.Nr. Art-.Nr. Art-.Nr. Art-.Nr.
DC (10 Imp/s) 1.120.800.006 1.120.800.008 1.120.800.012 1.120.800.418
DC (25 Imp/s) 1.120.800.032 1.120.800.033
AC (10 Imp/s) 1.120.800.051 1.120.800.054 1.120.800.056
Spulenanschlüsse 0,4 x 1,2
Leiterplatte
2
1
Spulenanschlüsse 0,4 x 1,2 mm
Leiterplatte
Lochbild für Leiterplatte (Bestückungsseite)
3
2
1
* Lagertypen
TTyypp KK 0044..8800 uunndd KK 0055..8800
Impulszähler







