Owner's Manual Motorcycle 250 XC-F, XCF-W, EXC-F 400 XC-W, EXC RACING 450 XC, XC-W, EXC RACING 525 XC, XC-W, EXC RACING 525 XC

ANHANG – APPENDICE
APPENDIX – APÉNDICE
2
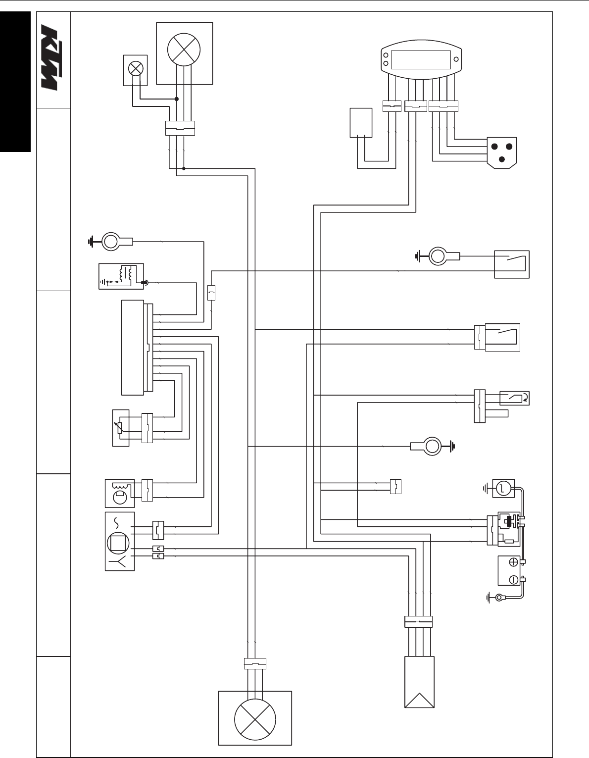
SCHALTPLAN » WIRING DIAGRAM
70-5002 W-CX ,CX
mmargaid gniriw
ssenrah niam
6002.40.80001.570.11.495
pu kcip
l
i
o
c
n
o
it
in
gi
G
3
rotareneg
rear light/brakelight
v
rosnes deeps
hctiws rab eldnah
)l
a
noitpo(
SPT
M
A
01
yrettabyaler trats
rotom retrats
nottub trats
black
h
c
tiws thgil
h
c
ti
ws
p
ots
C
D
I
headlight
U
reifitcer-rotaluger
multi-func.-digital-speedometer
naf gnilooc
525,054,004,052
er-ey
ey
hw
rb
hw
rb
wh
ye
re-wh
re-bl
gn
re
re
gn
re-bl
re-wh
bu-wh
br
ye-bl
bl-wh
br
br
ye
rb
er-ey
rb
lb
-
ey
lb
lb
e
r
ub
hw
rb
bu
ye
bl
bl
ye
bu
ye-re
wh-re
wh-re
ye-re
br
ye-re
br
wh
ye-bl
hw
hw