Owner's Manual Motorcycle 250 XC-F, XCF-W, EXC-F 400 XC-W, EXC RACING 450 XC, XC-W, EXC RACING 525 XC, XC-W, EXC RACING 525 XC

ANHANG – APPENDICE
APPENDIX – APÉNDICE
1
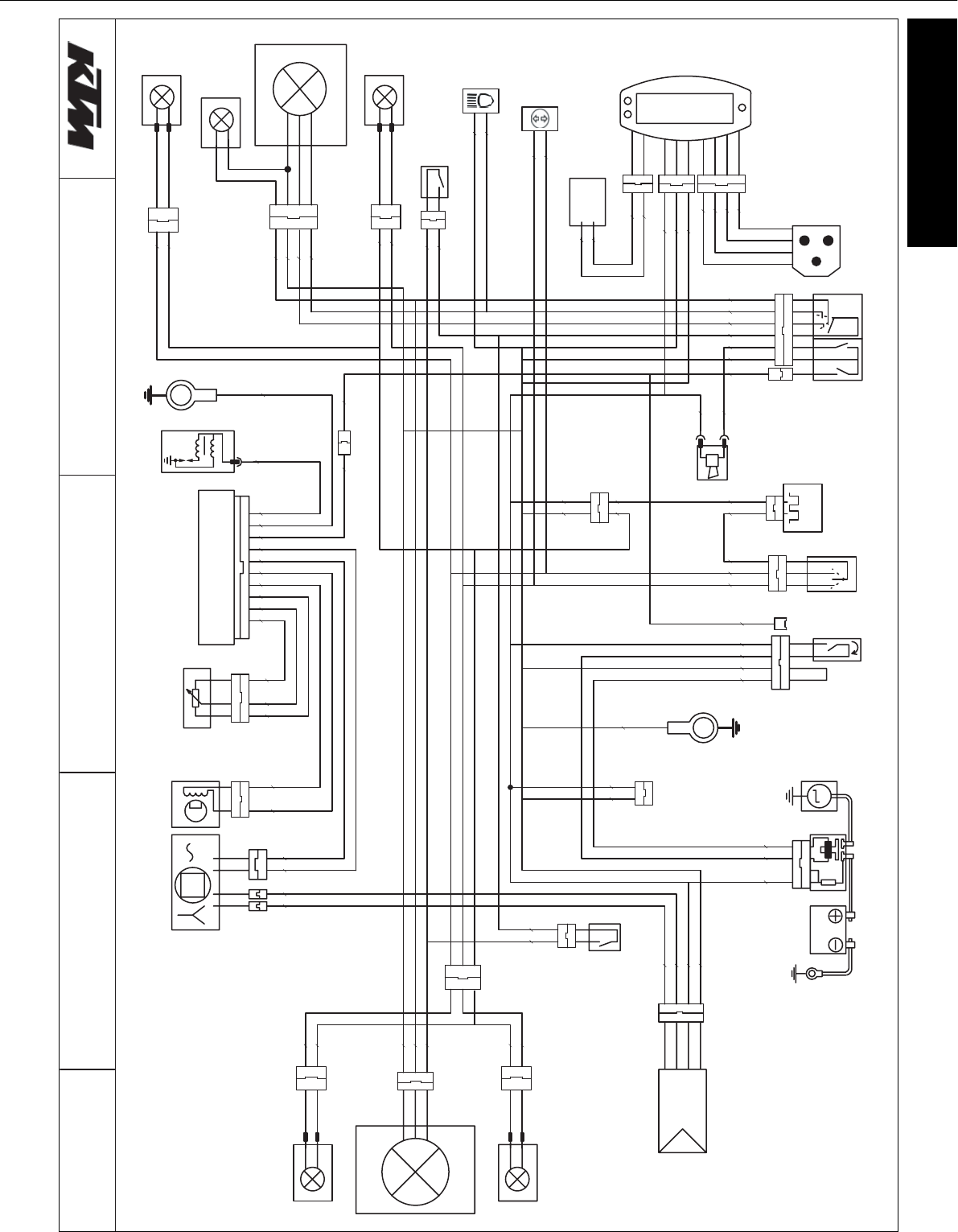
SCHALTPLAN » WIRING DIAGRAM
70-6002 gnicaR CXE
mmargaid gniriw
ssenrah niam
051.570.11.495
6002.40.80
hctiws rehsalf
pu kcip
hctiws ekarb
raer
rehsalf tnorf tfel
rehsa
l
f
tnor
f
thgi
r
rehsalf raer thgir
rehsalf raer tfel
driving light lamp
flasher control lamp
l
i
o
c
n
o
it
in
gi
brake switch
front
nroh
hctiws maeb wol/hgih
no
t
t
ub
po
t
sh
ctiws n
roh
G
yaler
reh
salf
G
3
rotareneg
rear light/brakelight
v
rosnes deeps
hctiws rab eldnah
)l
a
noitpo(
SPT
M
A
01
yrettabyaler trats
rotom retrats
nottub trats
black
C
D
I
U
reifitcer-rotaluger
headlight
multi-func.-digital-speedometer
naf gnilooc
52
5
,0
5
4,
0
04
,
052
er-ey
ey
hw
rb
rb
lb
hw-n
g
hw
rb
rb
up
wh
ye
re-wh
re-bl
gn
re
re
gn
re-bl
re-wh
bu-wh
br
ye-bl
bl-wh
br
ye-bl
ye
wh-gn
br
or
pu
bl
or
ye-re
br
re
ye
gn
bu
wh
rb
er-ey
lb-rb
rb
lb
rb
hw
rb
up
ub
ng
er
er-ey
ye-re
br
ye-re
br
lb-
e
y
lb
-ey
ey
ng-hw
ub
rb
lb
up
lb
lb
lb
lb
e
r
ub
hw
rb
bu
ye
bl
bl
ye
bu
ye-bl
ye-re
wh-re
br
bl
bl
wh-re
ye-re
br
ye-re