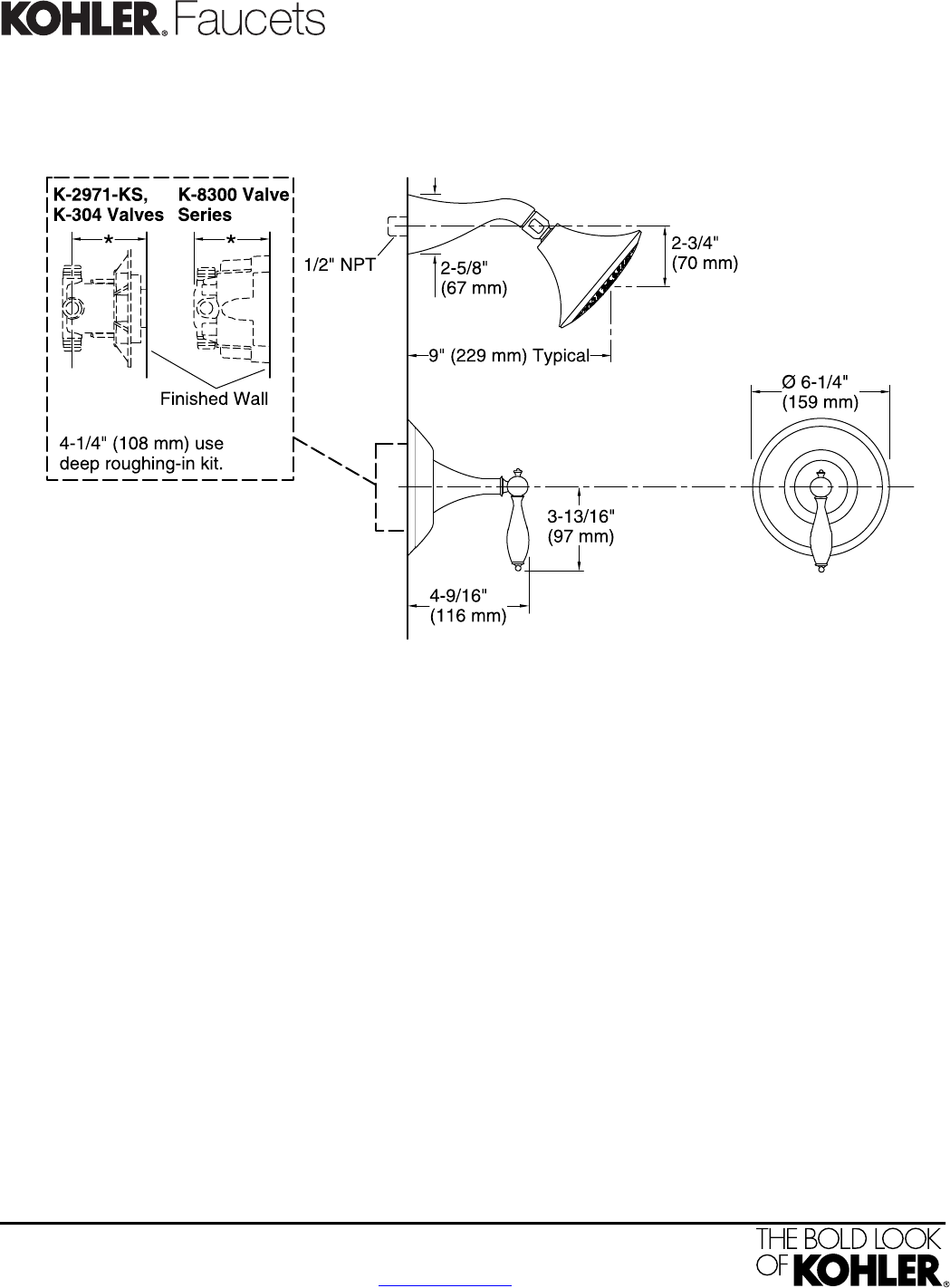
Dimensions Guide

*If 3-1/2" (89 mm) to
Notes
Technical Information
Install the product according to the installation
guide.
All product dimensions are nominal.
Showerhead:
NOTICE: Risk of product damage. Long screws
for installing trim can damage the K-2971-KS
2.5 gal/min (9.5 l/min)Rated maximum flow:
80 psi (5.5 bar)Pressure:
valve. Consult the trim installation guide to verify
if the thin wall installation kit (88526) is needed.
USA/Canada: 1-800-4KOHLER (1-800-456-4537)
Kohler Co. reserves the right to make revisions without notice to product specifications.
For the most current Specification Sheet, go to www.kohler.com.
11-14-2017 11:33
Finial
®
Rite-Temp
®
Shower Valve Trim
K-TS313-4M