Technical data

External I/Os AlarmManager-BASIC/PRO
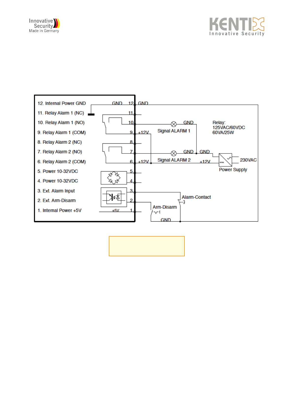
Examples of the external circuit of the AlarmManager. Shows the internal 12-pin terminal of the AlarmManager. The
internal circuit of inputs and outputs is shown schematically for better understanding. The logic of the alarm inputs can be
rotated in the ControlCenter.
Example: Power supply via the external plug supply, just the alarm-inputs are connected.
4.16.License Management and upgrade
In contrast to the AlarmManager-BASIC, the PRO-version contains additional useful features like e.g.
connecting network-enabled MultiSensors or adding IO-modules.
Having the same technical design, there is the possibility to upgrade an AlarmManager-BASIC via a license
key to the PRO-Version with the Kentix ControlCenter, if required.
A valid license key can be purchased via our sales department (www.kentix.com).
Page (04-2015, subject to change) kentix.com21
Description - Relay-Contacts:
Alarm 1 : Armed-Active
Alarm 2 : Always-Active










