Operation Manual

16
A7 MIG Welder© Kemppi Oy 2018 1804
INTEGRATION GUIDE
3.13 I/O device
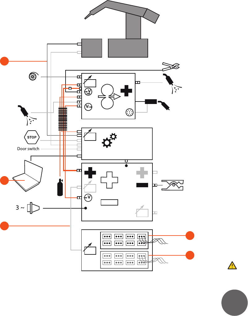
I/O device in the A7 MIG Welder system
Fieldbus
I/O
1
2
3
4
5
Figure 3.17 Connecting I/O device into A7 MIG Welder system
1. Fieldbus
2. Web user interface
3. Control cable for I/O device
4. I/O device 4/4 with connections
5. I/O extension card 8/8 with connections
The A7 I/O Device 4/4 is an optional digital control device with 4 inputs and 4 outputs.
It can be extended by the A7 I/O Extension card 8/8 that has additional 4 inputs and 4
outputs, resulting in the total of 8 inputs and 8. The I/O device is congured by using the
web user interface and controlled by the digital robot interface.
3.13.1 Installation
Follow these steps to install the I/O device. See the following gures for details.
• Measure and drill holes for the I/O device to the mounting platform
• Open the aluminum case by losing the four screws in the corners of the cover
• Fasten the I/O device to the mounting platform by using appropriate screws
• Remove plastic bungs from the I/O control cable holes
• Screw strain reliefs to the holes
• Thread I/O control cables through the strain reliefs and strip them (strip 8 mm o
from the wires of the cables)
• Connect the wires of the I/O control cables to the inputs 1-4 and outputs 1-4
• If you have an extension card, do these additional steps
• Plug the at band cable of the extension card in to the matching connector of
the main card
• Fasten the extension card on top of the elevation screws
• Connect the wires of the I/O control cables to the inputs 5-8 and outputs 5-8
• Fasten the strain reliefs (ensure, that I/O control cables and wires are not pulled
tight inside the I/O device)
• Plug in and fasten the control cable – one end to the I/O device and the other
end to a matching connector in the welding power source
• Power up the system
• Congure inputs and outputs by using the web user interface
• Test inputs and outputs by means of a robot teach pendant
• Close and fasten the aluminum case
Do not plug in the extension card when the main card has been powered up. This may
cause damage on both cards.










