Operation Manual

16
A7 MIG Welder© Kemppi Oy 2018 1804
INTEGRATION GUIDE
3.13 I/O device
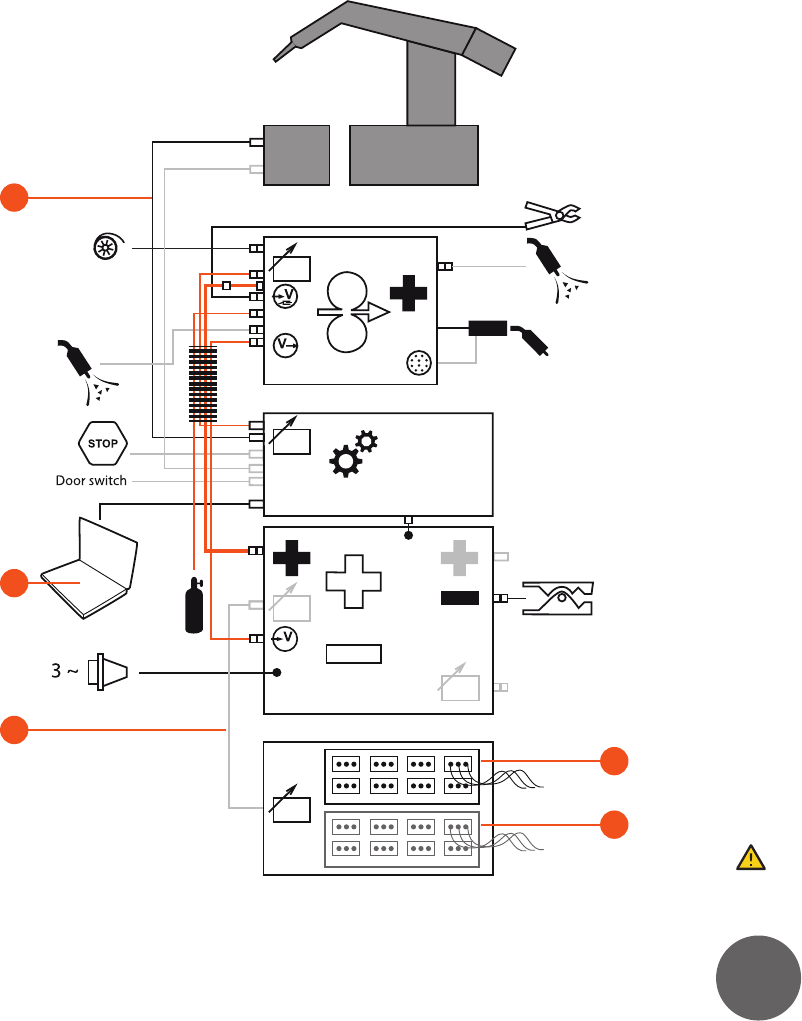
I/O device in the A7 MIG Welder system
Fieldbus
I/O
1
2
3
4
5
Figure 3.17 Connecting I/O device into A7 MIG Welder system
1. Fieldbus
2. Web user interface
3. Control cable for I/O device
4. I/O device 4/4 with connections
5. I/O extension card 8/8 with connections
The A7 I/O Device 4/4 is an optional digital control device with 4 inputs and 4 outputs.
It can be extended by the A7 I/O Extension card 8/8 that has additional 4 inputs and 4
outputs, resulting in the total of 8 inputs and 8. The I/O device is congured by using the
web user interface and controlled by the digital robot interface.
3.13.1 Installation
Follow these steps to install the I/O device. See the following gures for details.
Measure and drill holes for the I/O device to the mounting platform
Open the aluminum case by losing the four screws in the corners of the cover
Fasten the I/O device to the mounting platform by using appropriate screws
Remove plastic bungs from the I/O control cable holes
Screw strain reliefs to the holes
Thread I/O control cables through the strain reliefs and strip them (strip 8 mm o
from the wires of the cables)
Connect the wires of the I/O control cables to the inputs 1-4 and outputs 1-4
If you have an extension card, do these additional steps
Plug the at band cable of the extension card in to the matching connector of
the main card
Fasten the extension card on top of the elevation screws
Connect the wires of the I/O control cables to the inputs 5-8 and outputs 5-8
Fasten the strain reliefs (ensure, that I/O control cables and wires are not pulled
tight inside the I/O device)
Plug in and fasten the control cable – one end to the I/O device and the other
end to a matching connector in the welding power source
Power up the system
Congure inputs and outputs by using the web user interface
Test inputs and outputs by means of a robot teach pendant
Close and fasten the aluminum case
Do not plug in the extension card when the main card has been powered up. This may
cause damage on both cards.