User Guide
Manuals
Brands
Kalamra Manuals
Freestanding Wine Cellars
Kalamera 4.2 Cu.ft 50 Bottle Compressor Wine Refrigerator Single Zone with Touch Control, Stainless Steel Door and Handle
1
2
3
4
5
6
7
8
9
10
-
7
-
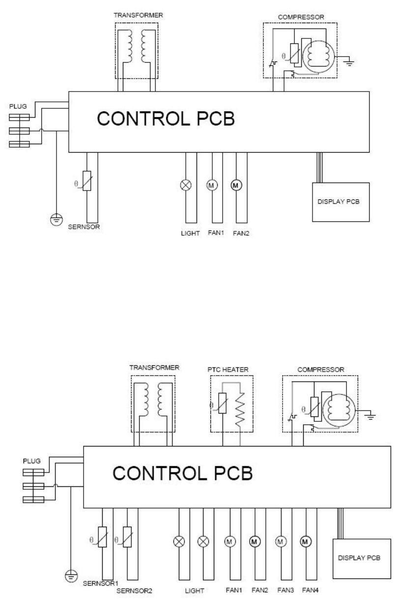
Electrical
Circuit
Diagram
KRC-85SZF
&
KRC-52SZF
Electrical
Circuit
Diagram
KRC-73DZ
F
1
...
...
5
6
7
8
9
...
...
13