Audio/Video Control Receiver Instructions

8
Å
Î
Ç
ı
COMPONENT VIDEO
MONITOR
OUT
DVR/DVD
IN
VCR(DBS)
IN
Y
PB
PR
TV/SIRIUS
IN
DBS
IN OUT(REC)
V
C
L
R
VIDEO
OU
T
DBS
IN
VIDEO
S-VIDEO
Å
ıΉÏÌÇ
AUDIO
OUT(REC) IN(PLAY)
VCR
Y
PB
PR
COMPONENT VIDEO
MONITOR
OUT
DVR/DVD
IN
VCR(DBS)
IN
VCR
OUT(REC) IN(PLAY)
VCR
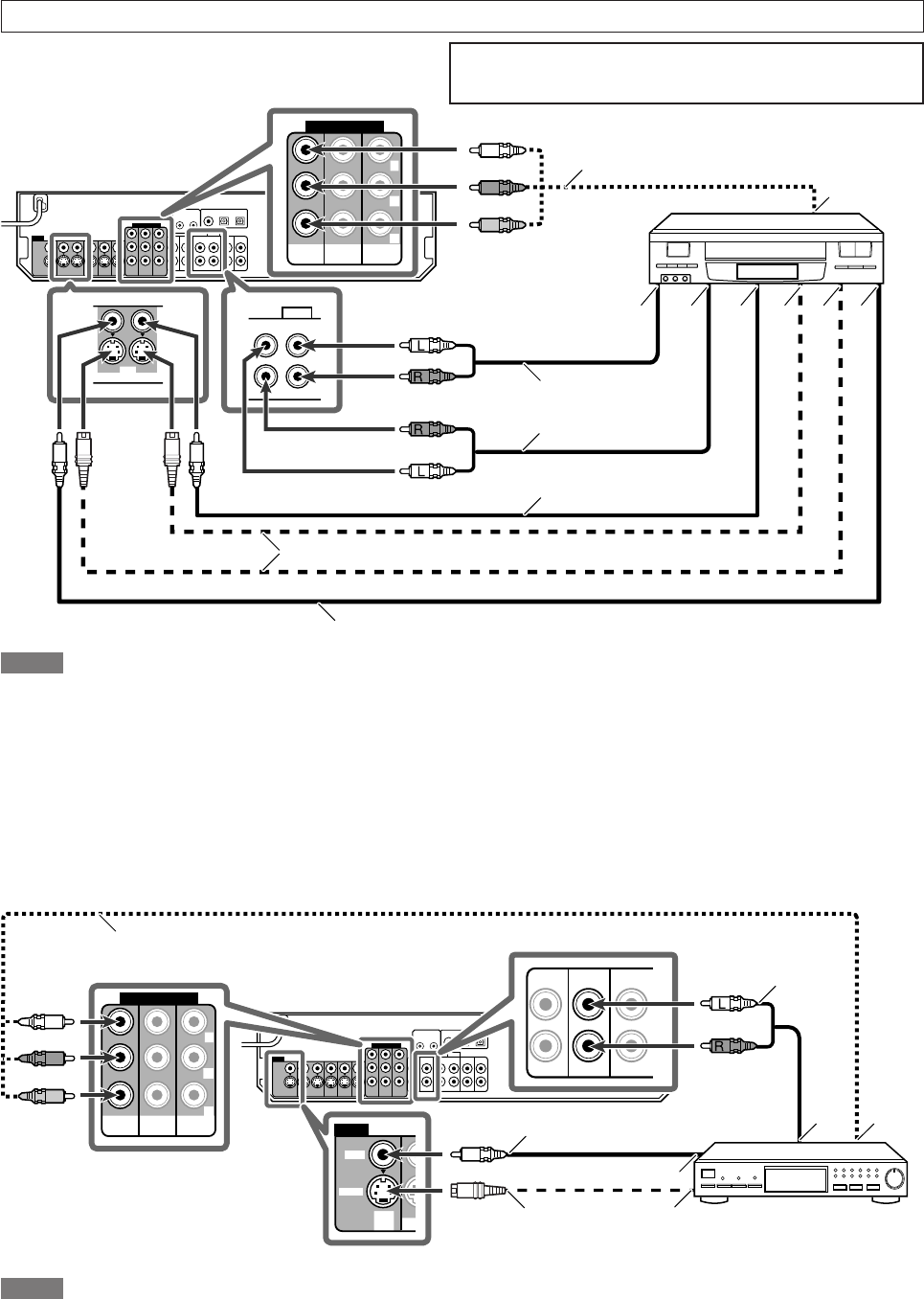
Å To component video output
• Connect Y, P
B, and PR correctly.
ı To left/right audio channel output
Ç To left/right audio channel input
Î To composite video output
‰ To S-video output
Ï To S-video input
Ì To composite video input
Stereo audio cable
(not supplied)
White
Red
White
Component video cable (not supplied)
Composite video cable
(not supplied)
S-video cable (not supplied)
Red
Green
Blue
Red
NOTES
• When connecting a VCR to the component video input jacks, select the component
video input mode (VCR VIDEO IN) correctly. If you do not, you cannot view the
playback picture on the TV or the AV COMPU LINK remote control system cannot
operate properly. See page 25 for details.
• When using a stereo audio cable as the illustration above, set the audio input mode to
“ANALOG.” For details, see “Selecting the analog or digital input mode” on page 12.
•You can enjoy digital sound if using a digital coaxial or optical cable. When shipped
from the factory, the digital input terminal setting for a VCR is set to use the digital
optical terminal (DIGITAL IN 3 (VCR)). For details of digital connection, see page 10.
Composite video cable (not supplied)
Do not connect the AC power plug to the wall outlet until all connections are completed.
Turn off all components before making connections.
• When you connect other components, refer also to their manuals.
7 Connecting a VCR
Stereo audio cable
(not supplied)
Composite video cable (not supplied)
DBS tuner
White
Red
S-video cable
(not supplied)
7 Connecting a DBS tuner
Red
Green
Blue
Component video cable (not supplied)
Å To left/right audio channel output
ı To component video output
• Connect Y, P
B, and PR correctly.
Ç To composite video output
Î To S-video output
NOTES
• When connecting a DBS tuner to the component video input jacks, select the
component video input mode (DBS VIDEO IN) correctly. If you do not, you cannot
view the playback picture on the TV. See page 25 for details.
• When using a stereo audio cable as the illustration above, set the audio input mode to
“ANALOG.” For details, see “Selecting the analog or digital input mode” on page 12.
•You can enjoy digital sound if using a digital coaxial or optical cable. When shipped
from the factory, the digital input terminal setting for a DBS tuner is set to use the
digital optical terminal (DIGITAL IN 2 (DBS)). For details of digital connection, see
page 10.
08-09RX-D211S212B[J]f.p65 06.3.17, 11:488










