Car Stereo System User's Manual

10
3
2
4
3
5
4
2
1
B2A2 B4A4 B1A1B3A3
A4
A2
B4
B3
  B Connections without using the ISO connecters / Anschlüsse ohne ISO-Stecker / Connexions sans l’utilisation des connecteurs ISO
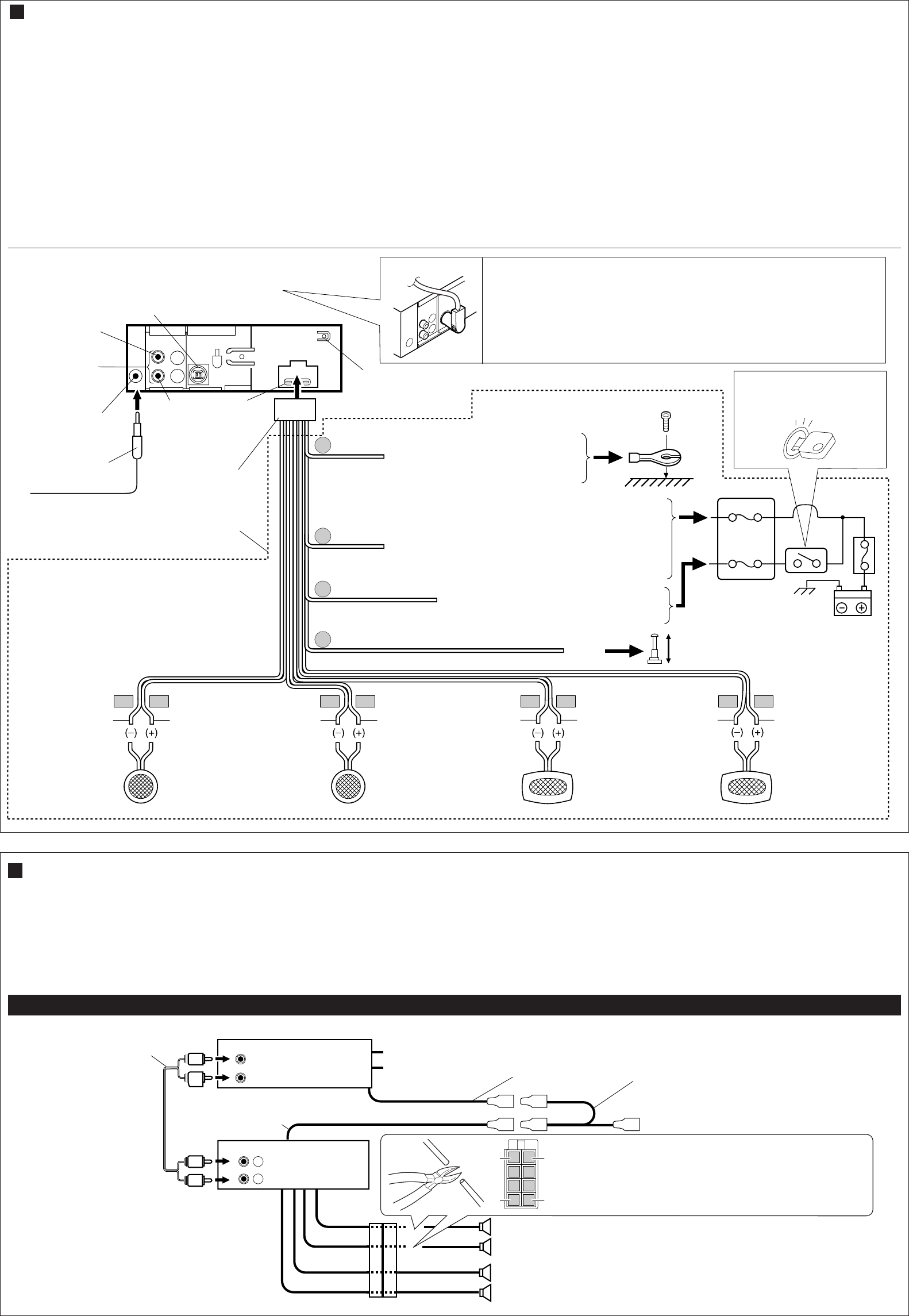
Before connecting: Check the wiring in the vehicle carefully not
to fail in connecting this unit. Incorrect connection may cause a
serious damage to this unit.
1
Cut the ISO connector.
2
Connect the colored leads of the power cord to the car battery,
speakers and power aerial (if any) in the following sequence.
1 Black: ground
2 Yellow: to car battery (constant 12V)
3 Red: to an accessory terminal
4 Others (except blue with white stripe): to speakers
5 Blue with white stripe: to power aerial
3
Connect the antenna cord.
4
Finally connect the wiring harness to the unit.
Vor dem Anschließen: Die Verdrahtung im Fahrzeug sorgfältig
überprüfen, damit sie beim Anschließen am Gerät nicht versagt.
Falsche Anschlüsse können ernsthafte Schäden am Gerät
hervorrufen.
1
Den ISO-Stecker abschneiden.
2
Die farbigen Leitungen des Neztkabels an der Autobatterie,
den Lautsprechern und dem Motorantenne (sofern
vorhanden) in folgender Reihenfolge anschließen.
1 Schwarz: Erdung
2 Gelb: an autobatterie (konstant 12 V)
3 Rot: an Zubehöranschlußklemme
4 Andere (außer blau mit weißem Streifen): an Lautsprecher
5 Blau mit weißem Streifen: an Motorantenne
3
Das Antennenkabel anschließen.
4
Die Kabelbäume am Gerät anschließen.
Avant de commencer la connexion: 
vérifiez attentivement le
câblage du véhicule pour ne pas connecter incorrectement cet
appareil. Une connexion incorrecte peut endommager
sérieusement l’appareil.
1
Coupez le connecteur ISO.
2
Connectez les fils de couleur du cordon d’alimentation à la
batterie de la voiture, aux enceintes et à l’antenne automatique
(s’il y en a une) dans l’ordre suivant.
1
Noir: a la masse
2
Jaune: a la batterie de la voiture (12V constant)
3
Rouge: à la prise accessoire
4
Autres fils à l’exception du fil bleu à bandes blanches:
aux enceintes
5
Bleu à bandes blanches: à l’antenne automatique
3
Connectez le cordon d’antenne.
4
Finalement, connectez le faisceau de fils à l’appareil.
Fuse block
Sicherungsblock
Porte-fusible
To power aerial if any
Zur Motorantenne, sofern vorhanden
Vers borne d’antenne automatique s'il y en a une
Purple
Lila
Violet
Left speaker (rear)
Linker Lautsprecher (hinten)
Haut-parleur gauche (arrière)
*1: Before checking the operation of this unit prior to installation,
this lead must be connected, otherwise power cannot be
turned on.
*1: Vor der Überprüfung der Funktionsfähigkeit des Geräts vor
dem Einbau, muß diese Leitung angeschlossen werden, da
sonst die Stromversorgung nicht eingeschaltet werden kann.
*1:Pour vérifier le fonctionnement de cet appareil avant
installation, ce fil doit être raccordé, sinon l’appareil ne peut
pas être mis sous tension.
*
*
Not included with this unit.
Wird nicht mit Gerät mitgeliefert.
Non fourni avec cet appareil.
*
To a live terminal in the fuse block connecting to the car battery
(bypassing the ignition swich)
Zu einer stromführenden Anschlußklemme im Sicherungsblock zum
Anschließen an die Autobatterie (Umgehen des Zündschalters)
A une borne sous tension du porte-fusible connectée à la batterie
de la voiture (en dérivant l’interrupteur d’allumage)
10A fuse
10A Sicherung
Fusible 10A
Right
Rechts
Droit
Line out
Ausgang (line-out)
Sortie de ligne
Antenna terminal
Antennenanschlußklemme
Borne de l’antenne
To antenna
Zur Antenne
A l'antenne
To an accessory terminal in the fuse block
Zur einer Zubehöranschlußklemme im
Sicherungsblock
Vers borne accessoire du porte-fusible
Black
Schwarz
Noire
Yellow*
1
Gelb*
1
Jaune*
1
Blue with white stripe
Blau mit weißem Streifen
Bleu avec bande blanche
Red
Rot
Rouge
To metallic body or chassis of the car
Zur metallenen Karosserie oder zum
Fahrwerk des Autos
Vers corps métallique ou châssis du
véhicule
Rear ground terminal
Hintere Erdungsanschlußklemme
Borne arrière de masse
White with black stripe
Weiß mit schwarzem
Streifen
Blanc avec bande noire
Gray with black stripe
Grau mit schwarzem
Streifen
Gris avec bande noire
White
Weiß
Blanc
Gray
Grau
Gris
Green with black stripe
Grün mit schwarzem
Streifen
Vert avec bande noire
Green
Grün
Vert
Purple with black stripe
Lila mit schwarzem Streifen
Violet avec bande noire
Right speaker (rear)
Rechter Lautsprecher
(hinten)
Haut-parleur droit (arrière)
Right speaker (front)
Rechter Lautsprecher (vorne)
Haut-parleur droit (avant)
Left speaker (front)
Linker Lautsprecher (vorne)
Haut-parleur gauche (avant)
We recommend that you connect one of the CH-X series CD changers.
• If your CD changer is one of the KD-MK series, you need an optional cord (KS-U15K).
Wir empfehlen, daß Sie einen der CD-Wechsler der Reihe CH-X anschließen.
• Ist Ihr CD-Wechsler einer der Reihe KD-MK, brauchen Sie ein zusätzliches Kabel
(KS-U15K).
Nous recommandons que vous connectiez un changeur de CD de la série CH-X.
•
Si votre changeur de CD appartient à la série KD-MK, vous avez besoin d’un cordon optionnel
(KS-U15K).
Left
Links
Gauche
JVC CD changer jack
JVC CD-Wechslerbuchse
Prise de changeur CD JVC
  C Connections Adding Other Equipment / Anschlüsse zum Hinzufügen von anderer Ausrüstung / Raccordement pour ajouter d’autres appareils
Since this unit has line-out terminals, an amplifier and other
equipment can be used to upgrade your car stereo system.
• Connect the remote lead (blue with white stripe) to the remote
lead of the other equipment so that it can be supplied the power
through this unit.
• For amplifier only: Connect this unit’s line-out terminals to the
amplifier’s line-in terminals.
Comme cet appareil a des bornes de sortie de ligne, un
amplificateur et d’autres appareils peuvent être utilisés pour
améliorer votre chaîne stéréo automobile.
•
Connecter le fil d'alimentation à distance (bleu avec des bandes
blanches) au fil d'alimentation à distance de l'autre appareil
de façon qu'il puisse être alimenté par cet appareil.
•
Pour l'amplificateur seulement: Raccorder les bornes de sortie
ligne de cet appareil aux bornes d’entrée ligne de l’amplificateur.
Amplifier / Verstärker / Amplificateur
Da dieses Gerät Anschlußklemmen am Ausgang (line-out) hat,
können ein Verstärker und andere Ausrüstung zur Aufwertung
Ihrer Autostereoanlage verwendet werden.
• Die Fernbedienungsleitung (blau mit weißem Streifen) an der
Fernbedienungsleitung der anderen Ausrüstung anschließen,
damit sie mit Strom über das Gerät versorgt wird.
• Nur für den Verstärker: Die Anschlußklemmen am Ausgang (line-
out) dieses Gerät an den Anschlußklemmen des Ausgangs (line-
out) des Verstärkers anschließen.
KS-FX230
JVC AMP
To power aerial if any
Zur Motorantenne, sofern vorhanden
Vers l’antenne automatique, s’il y en a une
Rear speakers
Hintere Lautsprecher
Haut-parleur arrière
Front speakers
Vordere Lautsprecher
Haut-parleur avant
Remote lead
Fernbedienungsleitung
Fil d'alimentation à distance
Cut the rear speaker leads* of the car’s ISO connector and connect them to
the amplifier.
Die Leitungen des ISO-Steckers der hinteren Lautsprecher durchtrennen
und am Verstärker anschließen.
Coupez les fils des enceintes arrière du connecteur ISO de la voiture et
connectez-les à l’amplificateur.
Ignition switch
Zündschalter
Interrupteur d’allumage
Signal cord
(not supplied with this unit)
Einzelleitung
(nicht mit diesem Gerät mitgeliefert)
Cordon de signal
(non fourni avec cet appareil)
* To rear speakers
* Zu den hinteren
Lautsprechern
*
 Vers les enceintes
arrières
R
L
LINE OUT
REAR
INPUT
R
L
L
R
R
L
B3
A3
A1
A2
A4
B4
B1
B2
*
*
*
*
Y-connector (not supplied with this unit)
Y-Anschluß (nicht mitgeliefert)
Connecteur Y (non fourni avec cet appareil)
Blue with white stripe
Blau mit weißem Streifen
Bleu avec bande blanche
Cut the rear speaker leads* of the car’s ISO connector and connect them to
the amplifier.
Die Leitungen des ISO-Steckers der hinteren Lautsprecher durchtrennen
und am Verstärker anschließen.
Coupez les fils des enceintes arrière du connecteur ISO de la voiture et
connectez-les à l’amplificateur.




