Compact Component System Instructions
Table Of Contents
- Main body
- Warnings, Cautions and Others
- CAUTION
- IMPORTANT FOR LASER PRODUCTS
- Introduction
- Contents
- Location of the Buttons and Controls
- Getting Started
- Common Operations
- Listening to FM and AM Broadcasts
- Playing Back CDs (CD/CD-R/CD-RW)
- Playing Back Video CDs
- MP3 Disc Playback
- Playing Back Tapes
- Recording
- Using the Microphones
- Using the Timers
- Maintenance
- Troubleshooting
- Specifications
- SP-MXG950V
- SP-MXG850V/SP-MXG880V
- SP-MXG750V

– 9 –
English
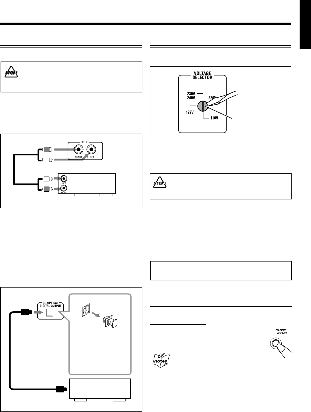
Connecting Other Equipment
You can connect both analog and digital equipment.
• DO NOT connect any equipment while the power
is on.
• DO NOT plug in any equipment until all
connections are complete.
To connect an analog component
Be sure that the plugs of the audio cords are coloured: White
plugs and jacks are for left audio signals, and red ones for
right audio signals.
For playing the other equipment through this unit,
connect between the audio output jacks on the other
equipment and AUX jacks by using audio cords (not
supplied).
To connect audio equipment with an optical digital
input terminal
You can record CD sound onto the connected digital
equipment.
Audio equipment
To audio output
Use a screwdriver to rotate the voltage selector so the voltage
number the voltage mark is pointing at is the same as the
voltage where you are plugging in the unit. (See the back
cover page.)
DO NOT plug in before setting the voltage selector
on the rear of the unit and all connection
procedures are complete.
Now, you can plug in the AC power cord.
When connecting the AC power cord to a wall outlet, the unit
automatically starts display demonstration.
• If the wall outlet does not match the AC plug, use the
supplied AC plug adaptor.
IMPORTANT: Be sure to check all connections to be done
before plugging the AC power cord into a wall outlet.
Cancelling the Display Demonstration
On the unit ONLY:
To cancel the display demonstration, press
CANCEL/DEMO until “DEMO OFF” appears
on the display.
When you press other buttons
The display demonstration stops temporarily. It will start
automatically again (if no operation is done for 2 minutes) unless
you cancel it by pressing CANCEL/DEMO.
To start the display demonstration manually
Press and hold CANCEL/DEMO again for more than 1
second.
To optical digital input
Before connecting the
other equipment,
remove the protective
plug from the terminal.
Audio equipment with
an optical digital input
Protective
plug
Connect an optical digital cord (not supplied) between the
optical digital input terminal on the other equipment and the
CD OPTICAL DIGITAL OUTPUT terminal.
Voltage mark
Adjusting the Voltage Selector
Before plugging in the unit, set the correct voltage for your
area with the voltage selector on the rear of the unit.
EN01-13.CA-MXG950/850/750 3/1/02, 3:44 PM9










